Paso 1: Paso 1: esquema y construcción de la descripción en protoboard


Inicialmente construyó el órgano del Color en un protoboard: la construcción era algo sencillo y fácil sin embargo decide renunciar a la segunda entrada Audio opcional que fue utilizada por el creador del esquema.
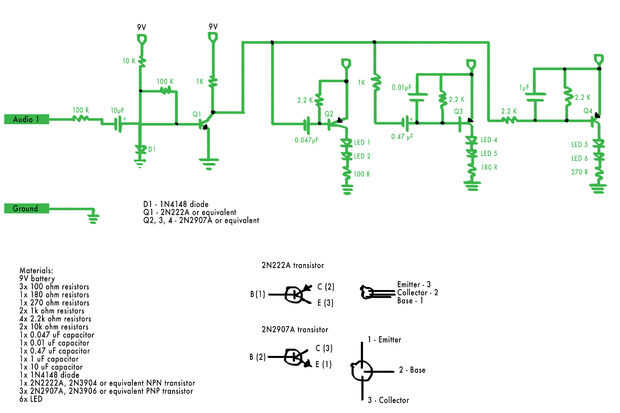
Los materiales son los siguientes:
resistencias de 3 x 100 ohmios
resistencias de ohm 1 x 180
resistencias de ohm 1 x 270
1 k ohm resistencias 2 x
4 x 2,2 resistencias de ohm k
10 k ohm resistencias 2 x
condensador de 1 x 0.047 uF
condensador de 1 x 0,01 uF
condensador de 1 x 0.47 uF
1 x 1 uF capacitor
1 x 10 uF capacitor
diodos 1N4148 x 1
transistor NPN 2N3904 o equivalente de 1 x 2N2222A,
3 x 2N2907A, transistor PNP 2N3906 o equivalente
6 x LEDs
He dejado notas en la imagen del esquema para un cierto tipo de transistor NPN y PNP: por favor, asegúrese de que usted está usando los transistores de la misma antes de tomar el mismo las notas del esquema de piezas de lo que es lo que.
Otra cosa en cuenta: después de completar el circuito he usado mi teléfono como el entrada de audio en el circuito y por desgracia no todos los LEDs emiten la cantidad más brillante del brillo (Q2 y Q3 que muestra la menor cantidad de luz).
Esto podría ser debido a dos problemas:
La entrada de audio de un celular no es lo suficientemente alta para enviar suficiente sonido a través de todo el circuito
O
Por lo anterior el segundo opcional Audio 2 del circuito, hay menos sonido pasando por todo el circuito
En la protoboard puede intentar construir un amplificador para el circuito y ver si eso ayuda de los LEDs.