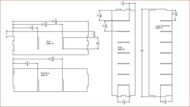
Organizador de discos compactos

necesitaba un organizador de discos compactos para un gabinete estaba construyendo y ninguno de los estándares vi mis requerimientos. Naturalmente, hice lo que haría cualquier Instructabler postizo: construí mi propia a Tecshop, http://www.techshop.ws. Las dimensiones fueron fijadas por el estante disponible y quería maximizar el espacio con que tenía que trabajar.

Artículos Relacionados

Cómo recuperar discos compactos y otros relacionados con los medios de comunicación después de una gran inundación.

Cómo recuperar discos compactos y otros relacionados con los medios de comunicación después de una gran inundación.

¿Tienes medios digitales agua dañada?¿Nunca encontraste tus DVDs en un baño helado de frío?¿Ha su ciudad o pueblo sido recientemente devastada por una gran inundación?Si usted contestó "Sí" a uno o más de las preguntas anteriores, usted pudo hab
Golf de disco compacto (CD)

Golf de disco compacto (CD)

por lo que estaba buscando a través de la interminable instructables increíble, cuando encontre uno por SEAMSTER, quien hizo un hoyo de golf del disco interior.  Aquí está el enlace a su:Pensé que era increíble y haría un gran regalo para mi hermano
Formatear particiones ocultas en un disco compacto Flash en Mac osX

Formatear particiones ocultas en un disco compacto Flash en Mac osX

aquí es una manera de deshacerse de las particiones. Hay algunos tipos de particiones que utilidad de discos en Mac osX no muestran porque es estúpido.Brevemente un poco de antecedentes: tengo un ipod 3 ª generación gratis porque la batería estaba mu
Disco compacto estuche cubo Mostrar

Disco compacto estuche cubo Mostrar

una divertida manera para mostrar la obra de arte, fotos, dibujos, impresiones digitales, reflexiones literarias, creaciones mixtas o lo que sea te gusta utilizando cuatro fácilmente reordenado cajas de CD!Jewel Cube vitrinas requieren herramientas n
Diseños artísticos en discos compactos

Diseños artísticos en discos compactos

tener un montón de CDs alrededor con sólo unas palabras en una placa frontal de plata es dolorosa para los ojos. He venido para arriba con una idea, para los últimos 2 años, de hacer su propio CD cover utilizando sólo unas pocas herramientas, un walk
Hacer un ukelele de viejos discos compactos (CD)

Hacer un ukelele de viejos discos compactos (CD)

Hice un ukelele-como el instrumento, el "junkulele", de cortes de madera y CD a solas de unos 30 ejemplares no vendidos de mi 2007. Por favor ver el video para tener una mejor idea de lo que está sucediendo aquí, pero usted también puede seguir
Rápido del disco

Rápido del disco

Este es un rápido hecho y no cuesta el portadisco, CDs, DVDs, Bluerays y cualquier disco compacto tiene almacenamiento de información y tiene acceso rápido también.Vamos a reciclar material de embalaje hecho de espuma.Paso 1: Material La espuma será
Cocina para niños

Cocina para niños

Esta cocina de juguete se hizo por primera compra un gabinete de cocina en una tienda de excedentes. Agregar e improvisando con varias cosas.Paso 1: Cortar para colocación de fregadero y grifo.Paso 2: Fregadero y grifoUn tazón de fuente del animal do
Adaptador de 90 grados para VexPro VersaPlanetary caja de engranajes para la robótica primera

Adaptador de 90 grados para VexPro VersaPlanetary caja de engranajes para la robótica primera

El equipo de robótica de las abejas asesinas desarrolló esta solución en el 2015 y ahora nos gustaría compartir con todos de la primera comunidad de robótica.El sistema de caja de engranajes de VersaPlanetary VexPro es uno de los componentes más flex
: Eléctricas órbita lateralmente propulsan ruedas Patines eje-menos

: Eléctricas órbita lateralmente propulsan ruedas Patines eje-menos

mientras que en un recorrido de colegio por California, vi estudiantes universitarios montar encima de una colina en estas ruedas extrañas. Trasladan sus piernas hacia adelante y hacia atrás, como si andaban, pero mágicamente se movía hacia los lados
Recuperación de pantallas de cristal líquido (LCDs)

Recuperación de pantallas de cristal líquido (LCDs)

casi toda la electrónica tiene algún tipo de interfaz humano, de luces parpadeantes y sonido altavoces siete segmentos alfanuméricos y pantallas de cristal líquido. Este Instructable es sobre recuperación y prueba de pantallas de cristal líquido y un
Diez artículos de supervivencia para el aire libre

Diez artículos de supervivencia para el aire libre

He estudiado en jugarla expertos, subió con Scouts, trabajado con ex pararescue y aprendido a través de Chiripa junto con unos pedacitos de sabiduría que se reunieron a través de vivir la vida.  Esto me califica en gran medida como no experto pero me
Duplicar la velocidad de tu internet dongle

Duplicar la velocidad de tu internet dongle

Muy a menudo la velocidad de internet de la llave de una persona es lenta.Hacer esto y la velocidad de su INTERNET adaptador doble.Paso 1: materiales:Un disco compactoHoja de papelCable de extensión USBPaso 2:Cubrir el CD con la hoja de papel.Paso 3:
Hacer tu propio disfraz de Halloween de Crayon

Hacer tu propio disfraz de Halloween de Crayon

un par de años fue mi primera incursión en el Reino de traje de Halloween todo DIY. Vi que DIY gran post sobre cómo hacer un traje de la operación de trabajo que me dio bastante coraje para realmente intentarlo hace unos años. Terminó siendo el gran