Paso 5: Montaje panel









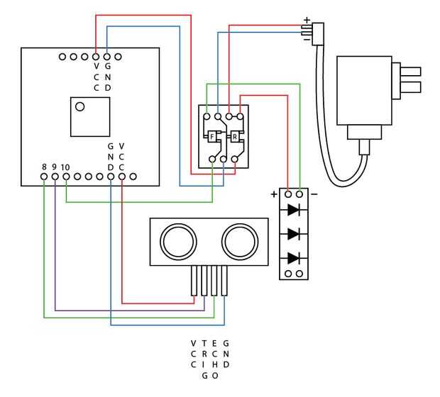
Paso 1. Quite los pernos del tablero circet, cortar los extremos macho de macho a hembra Conectores y los extremos cortados de la soldadura en la placa. Tenga cuidado de no doblar los cables hasta que se hace a un lado, luego fije los cables con pegamento caliente en la Unión.
Paso 2. cobbect todos los cables y soldadura de las uniones de la tira de LED 6mm adaptador de corriente, el resto deben soldarse ya desde el paso 1 o ser una hembra para conexión de pasador.
Paso 3. Montar la parte trasera de la lámpara como se muestra, también tendrá que construir los lados-utilice las partes restantes y el paso de montaje como referencia.
Paso 4. Disfrutar de su lámpara de órbita.