Nuevo Woofer (4 / 8 paso)

Paso 4: esquema

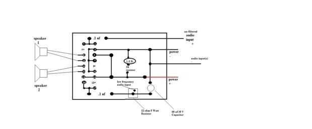
Este es mi esquema:

Artículos Relacionados

Semi automáticos de la estación de DJ

Semi automáticos de la estación de DJ

El objetivo de este instructable es mostrarte cómo configurar una cabina totalmente funcional sans platos en lugar de pagar para un DJ posiblemente no fiable. Probablemente ahorrará algo de dinero y puede anotar un nuevo conjunto de altavoces. Este i
Instalación DIY woofer Dual (oculto y debajo)

Instalación DIY woofer Dual (oculto y debajo)

dicen que "lanecesidad es la madre de la invención".Cuando llegué a mi nuevo SUV (Mahindra XUV 500), que tenía no uno, sino dos necesidades...Primera necesidad fue bajo. No puedo vivir sin ninguna. Siempre que tengo un SUB de Monster 15 pulgadas
Bang y Olufsen Beovox Woofer de recambio (fácil)

Bang y Olufsen Beovox Woofer de recambio (fácil)

cómo reemplazar un woofer en un altavoz O & beovox modelo B. Se pudren comúnmente hacia fuera, y es una solución fácil, como no eres un anal retentiva ventilador B & O que quiere todo original. Opté por reemplazar a mina con Goldwood woofers de 8&
Woofer de bricolaje altavoz pasivo del quebrado, reutilizados y no deseados piezas

Woofer de bricolaje altavoz pasivo del quebrado, reutilizados y no deseados piezas

he tomado una caja vacía del altavoz, de moqueta it.then cortarla por la mitad. tomó el altavoz trabajo woofer tiene un Surround de goma decente (6 Ohm) de una radio de paramax muerto im3 basura casa Teatro y ha añadido algunos de mis propios artícul
Víspera de año nuevo boda reloj muestra en libro!

Víspera de año nuevo boda reloj muestra en libro!

Víspera de año nuevo boda reloj muestra en libro!¿Cuándo es la boda el mejor momento para postear algo para un 31 de diciembre? He decidido, es ahora.Si usted está planeando un gran día para el futuro... esto es una divertida idea!Fui capaz de hacer
Grabaciones nuevo.

Grabaciones nuevo.

Pensamiento podríamos tomar otra oportunidad en el segundo. Hay una versión anterior de cómo screencast con gtk record MY Desktop, pero no funcionó para mí. Así que, decidí probar algo nuevo. Quizás Recuerde ffmpeg de exprimir un video instructivo. N
Cómo hacer un Instructable usando el nuevo Editor de

Cómo hacer un Instructable usando el nuevo Editor de

Como habrás dado cuenta, hay un nuevo editor de Instructables por aquí! A pesar de que el cambio es bueno, el cambio también puede ser difícil, así que hice esta guía práctica de dandy para pillarle el truco del nuevo editor y tomar su Instructables
BFX de mirando de nuevo Host de Indy Mogul

BFX de mirando de nuevo Host de Indy Mogul

Indy Mogul está en busca de un talentoso individuo o equipo asumir el control como anfitrión y productor de la serie FX de patio trasero, y podría ser usted!  Nuestro nuevo host continuará la tradición DIY de la demostración de ayudar a cineastas de
El nuevo y mejorado sin cepillo eléctrico Scooter sistema Guía de alimentación

El nuevo y mejorado sin cepillo eléctrico Scooter sistema Guía de alimentación

en 2008, armé una guía en Instructables acerca de cómo actualizar el sistema de alimentación de su pequeño vehículo eléctrico personal. Fue una cartilla sobre los fundamentos de un sistema eléctrico de vehículo eléctrico y ofrece recursos y consejos
BING nuevo JET de carburador de 14mm

BING nuevo JET de carburador de 14mm

¿por qué volver a Jet, pregunte?Puede ser necesario cambiar el tamaño del inyector en el carburador. Quizás el tiempo ha cambiado, el id de altura diferente, tal vez pones en un tubo de escape diferente. Cosas como esta pueden causar su motor "lean&q
Nuevo banco para mi lijadora de torno/disco

Nuevo banco para mi lijadora de torno/disco

Necesito un nuevo banco para mi torno, mi torno no ha tenido un hogar permanente y mantenerse debajo del Banco y sólo se utiliza con moderación normalmente amarrarla en mi vicio a utilizar generalmente, he reorganizado mi taller y dado mi habitación
Bienvenida a un nuevo fabricante de pequeño con un recuerdo de la huella 3D

Bienvenida a un nuevo fabricante de pequeño con un recuerdo de la huella 3D

Hoy he tenido la oportunidad de utilizar mi impresora 3D de una forma más novedosa... dando las gracias al personal de enfermería de la maternidad que han estado cuidando de mi esposa y mi hija nuevo.A través del poder del software libre y la impresi
Nuevo México bomba Jack Yo-Yo truco - Luke Renner

Nuevo México bomba Jack Yo-Yo truco - Luke Renner

nuevo México bomba gato yo-yo Trick es una combinación repetida de disparar la luna y sobre las cataratas.  El yoyo utilizado en la demostración por Luke Renner es un eje fijo de metal Duncan Wheel.  Agradecimiento especial a Bill que se realizó una
Montaña/Long Board + nuevo Grip en cubierta

Montaña/Long Board + nuevo Grip en cubierta

Es una placa de montaña todoterreno, si usted siempre quiso viajar aguas abajo por un sendero sobre los obstáculos del camino, esta es tu oportunidad. La Junta de montaña vuelca raíces, piedras, piñas... y funciona muy bien fuera de carretera, así co