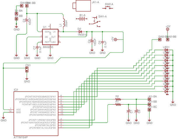
Paso 7: Diseñar y hacer el PCB



Utilizo el la versión gratuita de EAGLE Layout Editor de CadSoft para crear el esquema y el diseño de la placa de circuito impreso. Mi acercamiento a la fabricación de la PCB se describe en la fabricación y prepara el paso de la PCB del altavoz lata Altoids instructable.
Después de la transferencia, aguafuerte y perforación de la Junta, está listo para soldar todo junto.
Nota Mi experiencia más reciente para transferir imágenes a los tableros de circuito es el siguiente. Lave la Junta bien con jabón y frote con un verde matorrales. Suavemente lijar las rebabas de los bordes de la Junta para que el papel de transferencia y hierro hacen buen contacto con la Junta. Precaliente la plancha. Coloque un pedazo de papel en el tablero y el calor la junta con el hierro. Después de que la Junta está muy caliente, coloque cuidadosamente el papel de transferencia preparada en el tablero. Se adhieren inmediatamente (porque la placa está caliente) así que asegúrese de que esté correctamente posicionado. Luego plancha directamente sobre la brillante detrás el papel de transferencia. Esto nunca me causó ningún problema, pero utiliza su propio hierro. Haga primero una prueba. Deje enfriar el tablero y luego ejecutarlo bajo agua fría. El papel de transferencia debe pop off y deja toda la imagen. Utilizar un visor de diapositivas/negativos 8 x mirar por encima de la transferencia y completar los trozos que faltan. Buena suerte.