Paso 7: Actividades pantalla LED




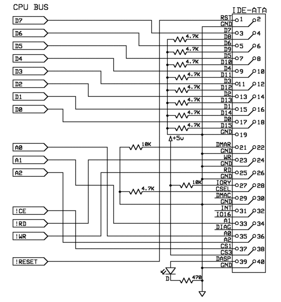
se puede ver en el diagrama que el indicador de actividad está ligado a los pines 39 y 40.
Curiosamente funciona incluso si utiliza sata drives... bueno
utilice conectores de 2 con 2 pernos y soldadura Ω una 300 resistencia en el cable positivo, Añadir entonces el LED al otro extremo
conectar a los pines 39 y 40.
LED se encenderá cuando el disco está inactivo y dado vuelta apagado cuando ocupado
luego agregar un LED / montaje de resistor de 300 Ω en paralelo con los 5V para mostrar la presencia de voltaje. (principalmente debe ser guapo:-p)
pasar el LED por el agujero cerca del botón de encendido.