Paso 12: Construir circuitos

Descargar e imprimir el esquema adjunto para referencia fácil. Recomiendo usar el escudo de proto de Adafruit para construir el circuito, de esta manera que el circuito puede extraerse el breakout Junta en cualquier momento.
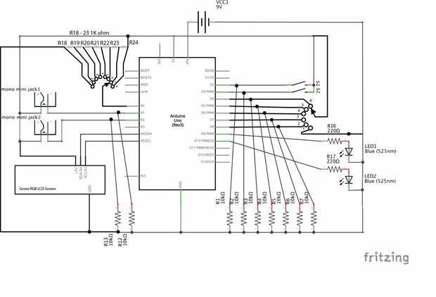
El conmutador de 8 posiciones es el selector de la carne, el selector de 6 posiciones es el selector de temperatura (raro, med rara, etc.). El selector de carne se lee en el pin analógico 0 mediante la creación de una escala de resistencia con resistencias de 1K.
Una vez seleccionado el tipo de carne y nivel de cocción, pulsar el botón de shout-out en pin al tweet para el mundo. Anunciando que la parrilla es que encendió y acercarles un emparejamiento de alcohol. Puede cambiar partes del código por lo que todo lo que quieras tuitea. El segundo botón se enciende la pantalla LCD y envía un tweet una vez alcanzada la temperatura deseada. Instalar un tercer interruptor en serie con la línea de alimentación que puede girar en el circuito entero.
Antes de soldar nada, coloque al Edison en la parte inferior de la caja del proyecto y medir cuánto alambre necesita para que cada componente para llegar a él se abre.
Energía
Conecte la alimentación externa o bien mediante el uso de la barrica jack o VIN. Una batería de 9V encaja perfectamente en la caja de la caja y debe durar una buena cantidad de tiempo. Usted puede leer más acerca de cómo alimentar la placa de desarrollo Arduino y todos que puede hacer mediante la descarga de la guía de hardware conectado.