Paso 1: Materiales y disposición


HARDWARE
Se necesita uno por cada uno de los siguientes:
Resistencias: 10k, 1M, 3, 3k
Condensadores: 100pf, 10nf
Diodo: 1N4148
Bobina / inductor: 10mH
Hemos comprado estos de Mouser. Este carro muestra contiene suficiente material para 3 proyectos. Sale a unos $1,11 por proyecto para todos estos componentes, no incluyendo el envío!
Además, se necesita un Arduino, protoboard, cables de puente y pinza cocodrilo--que debe ser bastante estándar.
SOFTWARE
Instale el mandril y el IDE de Arduino. Luego descargar el archivo de taza-música-master.zip de este paso, que contiene todo el código necesario.
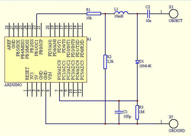
CIRCUITO
Ver imagen adjunta para la imagen del circuito, de este Instructable, que incluye instrucciones sobre cómo configurar el circuito.
Usted desea configurar el circuito en un protoboard y conecte la pinza cocodrilo al extremo donde el "objeto" debe ser. Luego sumergido el extremo libre de la pinza en una taza llenada de agua y había conectado el Arduino a nuestro puerto USB.