

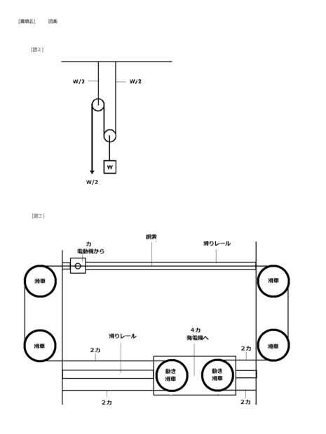
En el segundo diagrama se presenta es dos carriles Argentinean unidos por un cable pasa por seis poleas, una a cada extremo de los carriles y dos en el segundo carril serían las poleas móviles.
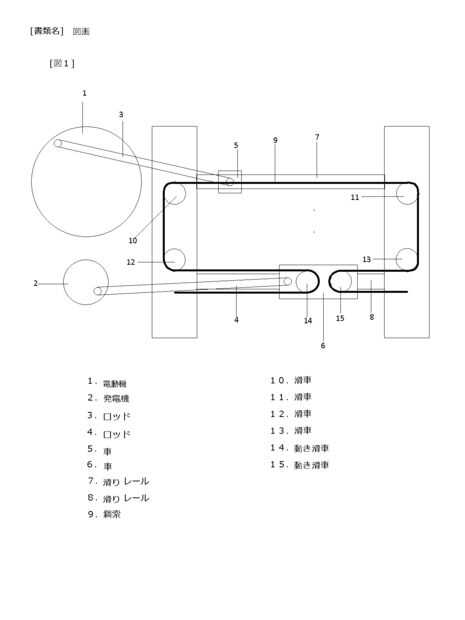
El tercer diagrama muestra las poleas movidas por un motor eléctrico en el primer carril y en el segundo mueve un generador eléctrico, en teoría usando dos poleas móviles multiplica cuatro veces la fuerza del motor eléctrico, Finite generar su propia energía.