Paso 2: Cómo usar el MM74C925N con Arduino

La broca que ha estado esperando para después de un poco de retoques finalmente funcionó hacia fuera de una forma eficiente y fácil de programar el Arduino para controlar la MM74C925N y aquí está cómo.
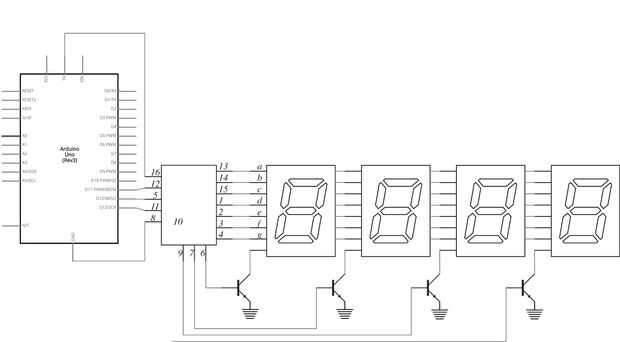
Conectar todo como se muestra en el esquema (si su pantalla de 7 segmentos es clasificada en una tensión más baja entonces 5v que recomendaría poner una resistencia de 220Ω entre cada ánodo y la viruta, se puede ver esto en el esquema en el paso 1).
Ahora una vez que todo está conectado a su tiempo al programa!