Multi propósito Backup/Auxillery de alimentación (5 / 10 paso)

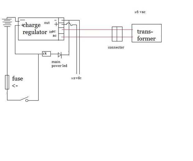
Paso 5: el circuito principal

gancho todo según este esquema

Artículos Relacionados

360 grados Multi propósito brillante luz LED

360 grados Multi propósito brillante luz LED

Hola,Esto es muy útil luz de LED brillante de 360 grados multi propósito. como el nombre sí mismo usted puede encontrar los detalles de esta lámpara...360 grados , esta luz se ilumina la luz en la dirección.Multi purpose significa que esta lámpara se
Soporte de TV de madera multi propósito

Soporte de TV de madera multi propósito

La idea de un soporte para nuestra TV comenzó en el sofá. Mi esposa y yo a menudo ver un episodio de alguna serie en las noches antes de ir a la cama. Medio dormido en el sofá es una "pesadilla" para levantarse, cepillarse los dientes y luego ir
Multi propósito childrenchair

Multi propósito childrenchair

el propósito de este instructivo es hacer una childrenschair multiuso.Los requisitos que-Durable-Barato-Materiales limitados-Multiusos-Fácil de hacerPaso 1: Multiuso childrenschair La silla final tiene tres funcionalidades-Silla baja-Silla alta-Tabla
Multi propósito almohada bolsillos

Multi propósito almohada bolsillos

esto es una bolsa muy versátil y customizeable de una funda de almohada. Utilizarlo como un delantal, ponerlo en andador de la abuela, atar al cochecito de niño, usarlo para lo que quieras! Este es un buen proyecto para principiantes y tarda menos de
Adaptador USB multi propósito

Adaptador USB multi propósito

USB - todos usamos todos los días.USB permite para compartir todo tipo de datos en un USB pequeño, en cada PC. Es posible incluso grandes cantidades de datos en un disco duro USB. Y ' s un perfekt soure para dispositivos móviles de la energía, por ej
Suspensión de multi propósito juguete para bebés

Suspensión de multi propósito juguete para bebés

aquí es un juguete muy sencillo que hice para mi hijo, de alguna manera las colecciones de caros conseguir en la tienda de juguetes no apeló a mi sentido financiero y además, tienen muy limitado el trabajo potencial creativo.Se realiza mediante tubos
K'nex M.P.A S (sistema de asalto Multi propósito)

K'nex M.P.A S (sistema de asalto Multi propósito)

Este es mi último proyecto K'NEX la M.P.A.S. Cuenta con un frontal desmontable y extraíbles stock, así como revistas y un foregrip ajustable.Paso 1: barril Paso 2: manejar Paso 3: Mag y perno de la leña Paso 4: Otras secciones Paso 5: montaje Paso 6:
EDC Multi propósito alambre cosita

EDC Multi propósito alambre cosita

se me ocurrió esta idea de cosita de alambre después de ver un electricista en un sitio del trabajo forme un portaherramienta cinturón de un pedazo de alambre #10. Yo, wow, que es bastante útil tener a mano. Así que agarró un pedazo y aunque la mano
Wii Nunchuck como controlador de propósito general a través de la placa Arduino

Wii Nunchuck como controlador de propósito general a través de la placa Arduino

Fondo:He hecho un uno mismo-equilibrio monopatín eléctrico que se dirige con un Wii Nunchuck usando el joystick de pulgar en la parte superior o por inclinación izquierda o derecha, dependiendo de cuál de los dos botones en el extremo están siendo pr
Una planta con propósito: Cómo cuidar de Aloe Vera

Una planta con propósito: Cómo cuidar de Aloe Vera

Esta beneficiosa planta con propósito es realmente fácil de cultivar en su casa y en el jardín así que estad atentos porque hay consejos para el cuidado que viene su manera.Paso 1: Aquí estoy en mi patio trasero todo cuidado de Aloe vera de las cosas
Comedero doble propósito - hacen en 5 min

Comedero doble propósito - hacen en 5 min

los catálogos pueden tener los más bonito, pero este costo nada que probablemente tiene todo lo necesario de mentira alrededor de la casa), 5 minutos.  Había pinzones de alimentación dentro de 15 minutos de colgar esto en mi escape de fuego (3ª histo
Volver a propósito de un caso de disco

Volver a propósito de un caso de disco

¿Quién hubiera pensado, hace décadas, que algún día nos ¿ser tirar discos y manteniendo el cuadro llegaron? La imagen muestra un chasis de proyecto electrónico que procedente de una caja de plástico que Sony discos. Este instructable muestra cómo vol
Establecer un propósito para la lectura

Establecer un propósito para la lectura

antes de leer, establezca un propósitoo razón, para la lectura.Paso 1: por ejemplo, su propósito puede ser * Para obtener información* Para aprender a hacer algo* Para resolver un problemaA la forma de una opinión* Para entretenersePaso 2: Con el fin
DIY arte vuelva a propósito,-ciclo de una camiseta en una bolsa de supermercado con estilo. Video tutorial al final de este instructivo.

DIY arte vuelva a propósito,-ciclo de una camiseta en una bolsa de supermercado con estilo. Video tutorial al final de este instructivo.

Aquí está un gran tutorial para reasignar, ciclismo hasta una camiseta en una bolsa de supermercado con estilo.Video tutorial al final del proyectoPaso 1: Bricolaje volver a propósito, ciclo de bolsa una camiseta en una tienda de comestibles con esti