Paso 2: Montaje de Ardweeny y montaje


Montar el Ardweeny y el Ardweeny de montaje en la protoboard junto a un lado de la Junta. Asegúrese de que ninguno de los pines están en las tiras bussed común de la protoboard si hay cualquiera. Para los encabezados de sensor, necesita romper el encabezado de fila solo en el número de pin correspondiente. Usted necesitará dos cabezales de 3 posiciones (una para el relé y el otro para el sensor de PIR) y una cabecera de 2 posiciones, para conectar el cable de la FOTOCELULA.
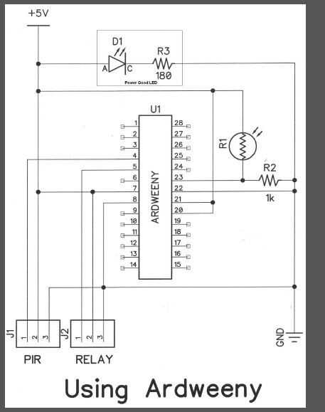
Véase el esquema para el Ardweeny y barebones circuito de Arduino. El esquema muestra un LED buena energía que no está incluido y no es crítica al circuito. Sólo se incluye en el esquema para la referencia y pruebas si necesita solucionar problemas.
Usted tendrá que hacer el alambre o suelde las conexiones del puente de la Ardweeny a las cabeceras de pin para los sensores. Usted también necesita un lugar en el tablero para la alimentación de 5V entrante y conexión a tierra.