Movimiento activa la iluminación exterior (7 / 8 paso)

Paso 7: La codificación

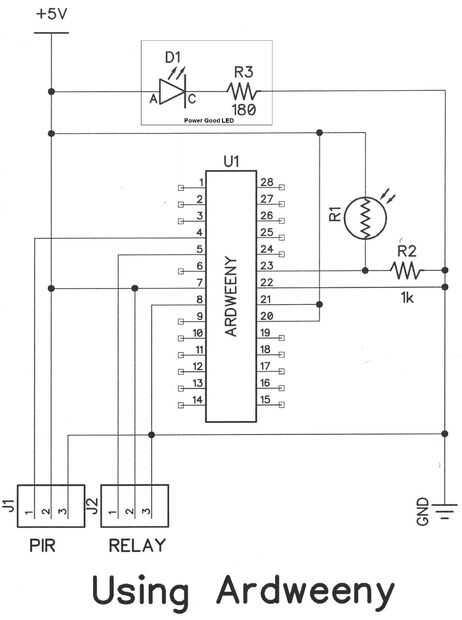
Su tendrá un USB Programador Serial TTL para cargar código en el Ardweeny/Arduino. Hay un archivo zip que contiene el código de Arduino. Un bit es para prueba y verificación de los sensores. El otro haya terminado código para funcionamiento de la luz. Usar el código de prueba es necesario para determinar qué nivel de oscuridad para reaccionar a. El valor predeterminado en el código final es "100", pero tuyo puede necesitar algún ajuste dependiendo de su entorno. El código está comentado para ayudar a hacer cambios a variables como tiempo de retardo y cuánto la luz permanece encendida cuando se dispara.

Artículos Relacionados

Movimiento activa reproductor de música al azar

Movimiento activa reproductor de música al azar

este proyecto llegó a ser por todas las razones correctas, sonrisas, risas y compartir felicidad con los demás. Me siento bendecida con una familia increíble y el grupo de personas que cada día generosamente compartirán, hacen e inspiran a otros en e
Movimiento-activa el reproductor de música

Movimiento-activa el reproductor de música

Encender música tan pronto como entras en una habitación! Este tutorial cubre un sensor de entrada minimalistas que activa la música de su elección. El diseño puede ser fácilmente adaptado para adaptarse a una variedad de necesidades (por ejemplo, si
Con sensor de movimiento de la iluminación del gabinete

Con sensor de movimiento de la iluminación del gabinete

El sensor de movimiento de una lámpara al aire libre fue agregado a la iluminación existente. Las instrucciones para el cableado vienen con la unidad. Para mantener el perfil bajo, he quitado la caja de ensambladura y había blindado gabinete con chap
Movimiento activa las luces de Navidad

Movimiento activa las luces de Navidad

En este Instructable le mostrará cómo hacer que su Navidad se enciende cuando hay alguien en la sala utilizando un Arduino, el módulo de relé y un sensor de movimiento PIR.Hice esto porque quería que las luces de mi árbol de Navidad miniatura para en
Movimiento activa Servo

Movimiento activa Servo

este es un servo de movimiento básicos activado que puede utilizarse en una amplia variedad de proyectos, y es muy simple y fácil de hacer. Si utilizas creativamente, pueden hacer muchas cosas con él. Por ejemplo, solía mina para crear una pistola de
Cómo hacer un timbre movimiento activa

Cómo hacer un timbre movimiento activa

sentido personas acercarse a su unidad con dos piezas de tecnología barata.Reqired herramientas mínimas:Exacto cuchillo (cuchillo de Stanley)Soldadura de hierroTaladroPaso 1: piezas: Sensor de movimiento PIRTimbre de Radio baratoRecinto para el timbr
Sensor de movimiento PIR 3V conducir un módulo de relé (defectuoso) 3v

Sensor de movimiento PIR 3V conducir un módulo de relé (defectuoso) 3v

Por favor voten por este instructable. Ver la votación en la parte superior derecha. Sería genial ganar una camiseta! Eso es todo que estoy en busca de salir de esto.El propósito de este instructable es mostrar cómo usar un Sensor PIR (detección de m
Mantenga indeseados visitantes con un movimiento activación por aspersión

Mantenga indeseados visitantes con un movimiento activación por aspersión

¿Los animales locales cree que su jardín es su aseo personal? ¿Asesinos de ninja mantenga intentando colarse en tu casa? Mantenga estos visitantes no deseados con un sistema de rociadores de movimiento activado. Tan pronto como caminan en su césped,
Traje de captura de movimiento titiritero

Traje de captura de movimiento titiritero

explorando el uso de asequible, materiales disponibles y técnicas básicas para crear movimiento inalámbrico capturan wearables.La idea detrás de titiritero es crear soluciones de tecnología usable accesible para captura de movimiento, con el objetivo
Energía solar iluminación para mi casa.

Energía solar iluminación para mi casa.

La primera prioridad cuando concebí a mi casa a ser solar powered era para asegurarse de que siempre tenía luces. ¿En la oscuridad puede ser aterrador si? Tal vez no. De todos modos quería iluminación que no chupar la vida de un banco de baterías com
Sistema de Sensor de movimiento infrarrojo DIY para frambuesa Pi

Sistema de Sensor de movimiento infrarrojo DIY para frambuesa Pi

Durante el mes de julio de 2015, completó un internado de secundaria en Colorado State University, y uno de los proyectos que he trabajado fue el de un sensor de proximidad infrarrojo para Raspberry Pi.Este corto alcance sensor infrarrojo puede ser a
Paisaje iluminación consejos y un paso al aire libre luces de

Paisaje iluminación consejos y un paso al aire libre luces de

fiestas al aire libre son el corazón de verano! Cuando usted comience el planeamiento para una fiesta de verano al aire libre existen diferentes fuentes de luz que necesita considerar además su. Igual que la gente busca en diferentes fuentes de luz e
Consejo rápido #3 - rápido y fácil movimiento activada bicicleta luz principal

Consejo rápido #3 - rápido y fácil movimiento activada bicicleta luz principal

Luz principal led de mi bicicleta eléctrica no había trabajado desde que lo tengo. Así que... ¿Qué hacer qué hacer...?Decidido en lugar de perder el faro ya que se ve bien en la moto, hasta que se soluciono lo que quiero, he tenido que apagar tempora
6 consejos sobre cómo elegir la iluminación del paisaje Solar.

6 consejos sobre cómo elegir la iluminación del paisaje Solar.

Si tiene dificultades viendo este artículo, consulte la versión completa (videos, imágenes incluidas) aquí: http://www.yoursolarlink.com/blog/6-tips-on-how-to-choose-solar-landscape-lighting/Usted tenga recientemente se mudó a una casa nueva y decidi