Motor control en Linkit con GSM y Bluetooth (2 / 3 paso)

Paso 2: conexiones

Inserte la tarjeta Sim y la tarjeta SD a la Junta un Linkit y conexión GSM y Bluetooth antena
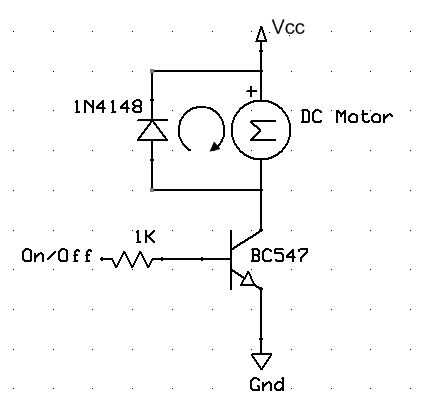
conectar el motor con el BC547 como se muestra en la Fig.
Conecte la base del transistor al PIN 8 de linkit un tablero
conectar el pin de salida del lm35 (pin 2) al pin analógico A0

Artículos Relacionados

Arduino - Motor de Control DC a través de Bluetooth

Arduino - Motor de Control DC a través de Bluetooth

Hola chicos,En este proyecto que controlar un motor DC con un smartphone vía bluetooth. Este proyecto es ideal para obtener más información sobre:Motor -DC-Interfaz Arduino con tu smartphone-Bluetooth módulo-L293DUsted puede visitar mi web para más p
Entrada controlada Parking sistema usando el Motor Servo y PIR con la Junta un LinkIt

Entrada controlada Parking sistema usando el Motor Servo y PIR con la Junta un LinkIt

En este Instructable, podremos implementar entrada controlada Parking usando el Motor Servo y PIR con la Junta un LinkIt.Un servomotor es un actuador o un actuador linear que permite un control preciso de posición angular o lineal, velocidad y aceler
Conectar Bluetooth Universal de Arduino - Control tu Arduino con tu dispositivo Android

Conectar Bluetooth Universal de Arduino - Control tu Arduino con tu dispositivo Android

Siempre quise controlar fácilmente mi Arduino con mi Smartphone, pero nunca encontré la solución perfecta para hacerlo. No quiero decir que esto es perfecto, pero hace lo que quiero que do...well no totalmente pero estoy cerca... Creo.En este Instruc
Coche de Control remoto con Arduino y Bluetooth

Coche de Control remoto con Arduino y Bluetooth

Este proyecto consiste en hacer un coche de control remoto mediante una conexión bluetooth. Este coche está destinado a ser utilizado en un globo hacer estallar la competencia contra otros coches similares. La conexión inalámbrica se consigue mediant
Control de LED con Arduino Bluetooth y Android. (Parte 1)

Control de LED con Arduino Bluetooth y Android. (Parte 1)

Este instructable es un simple tutorial explicar cómo controlar un LED mediante Bluetooth de Android.Se necesita:Arduino UNOResistencias 300Ω (x 3)Resistencia 150ΩLEDPuentes;Módulo de Bluetooth (HC-06/otros);Teléfono Android;Bluetooth Apk SPP (Lite s
Arduino Nano y Visuino: Control de 2 motores paso a paso con Joystick

Arduino Nano y Visuino: Control de 2 motores paso a paso con Joystick

Al generar proyectos de Arduino con motores paso a paso, como máquina CNC , plottero Arte animado, llega un momento cuando los steppers necesitan ser controlada manualmente. Análogo palancas de mando son baratos y fácil módulos para el control manual
Control de Arduino con Gamepad

Control de Arduino con Gamepad

Últimamente he sido curioso sobre amistad con Arduino o cualquier otro microcontrolador con un gamepad para poder tener interacción física con las cosas que hago, pero parecía que no rápido o barato a hacerlo.Mayoría de las soluciones implicadas:Comp
Sistema de seguridad y Control de acceso con Arduino y RFID

Sistema de seguridad y Control de acceso con Arduino y RFID

sistema de seguridad y Control de acceso con Arduino y RFIDEste proyecto es un evolotuin de mi primer proyecto llamado "Arduino – sistema de seguridad y acceso Control"Como se puede ver en el http://arduinobymyself.blogspot.com.br/2012/03/arduin
Control de LED con Wifi Local

Control de LED con Wifi Local

podemos requerir para transmitir los datos de la tarjeta a otros dispositivos en algún momento u otro.LinkIT uno nos ofrece muchas opciones como GSM, GPRS, Bluetooth, micro SD, Audio y WiFiLinkit se ha construido en el módulo de WiFi, que puede ser u
Control de LinkIt uno: El camino del GATT

Control de LinkIt uno: El camino del GATT

En mi última instructable, mostré cómo explorar el poder de BLE en LinkIt. En éste, utilizaremos perfiles del GATT BLE comunicarse con uno de LinkIt. Concretamente usaremos perfiles del GATT BLE para obtener información sobre la batería, control a bo
Cómo controlar un motor paso a paso con un FPGA

Cómo controlar un motor paso a paso con un FPGA

Este instructivo le guiará por el proceso y algunos conocimientos sobre cómo conseguir un motor paso a paso trabajando en una FPGA. Específicamente un Motor de pasos a Nema, Digilent Basys 3 y Digilent PmodSTEP.Actualmente soy profunda en el proceso
Como hacer funcionar un motor sin escobillas ESC con Arduino

Como hacer funcionar un motor sin escobillas ESC con Arduino

Este instructable le mostrará cómo configurar y ejecutar un motor sin escobillas ESC con un arduino y ejecutar un motor sin escobillas a diferentes velocidades. Pasará a través de los materiales, configuración de hardware y el software de codificació
DC Motor Control remoto utilizando el protocolo RS485

DC Motor Control remoto utilizando el protocolo RS485

En este Instructable nos van a controlar dos motores de corriente continua usando RS485 Protocolo de un x86 PC.Un programa de Control de maestro cruz plataforma en Windows/Linux se comunicará con un Launchpad MSP430 utiliza protocolo RS485. El usuari
Arduino: Control de servos con botones

Arduino: Control de servos con botones

Mientras que hay un montón de tutoriales sobre cómo control de Servos con palancas de mando y sensores analógicos, a veces queremos controlar un servo con botones.Aquí es una manera realmente fácil y rápida para ello, con la ayuda de Visuino - un amb