Mostrar temperatura en LCD con STS-21(I2C) (3 / 5 paso)

Paso 3: Diagrama del circuito

Artículos Relacionados

Mostrar Temperatura en pantalla con Termistor y Arduino

Mostrar Temperatura en pantalla con Termistor y Arduino

En este tutorial aprenderas a mostrar la temperatura de las Naciones Unidas termocuplas en un pantalla LCD utilizando Arduino.Materiales:Pantalla de LCDSensor de Temperatura contra Agua NTC 10KPuentes macho-macho1 Resistencia 10KArduinoPaso 1: El de
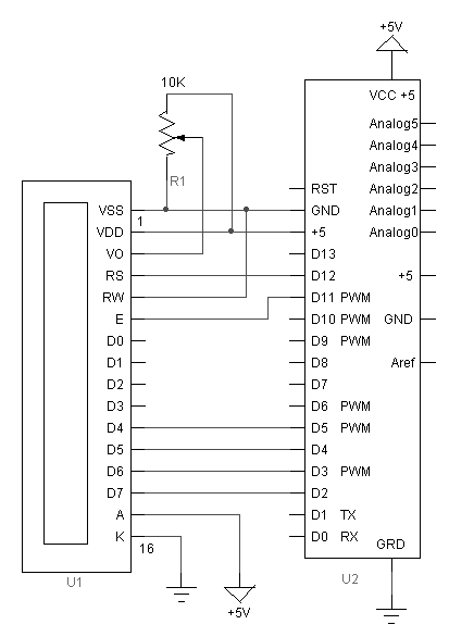
Mostrar temperatura en LCD

Mostrar temperatura en LCD

Reunirá dos proyectos en este instructable.Mostrará cómo medir la temperatura mediante un sensor de temperatura LM35 y un Arduino y luego Mostrar la temperatura en una pantalla serial LCD 16 X 2 en grados Celsius y Fahrenheit.Usted puede encontrar lo
Mostrar Temperatura en Display con Arduino de Sensor DHT11 y

Mostrar Temperatura en Display con Arduino de Sensor DHT11 y

En este tutorial aprenderas a mostrar la temperatura en un pantalla LCD utilizando el sensor de la temperatura DHT11 y Arduino.Materiales:DisplayLCDSensor de Temperatura y Humedad DHT11Puentes de conexión macho-hembraArduinoPaso 1: ConectaConecta el
Arduino Monitor portátil de tiempo, altímetro, temperatura, humedad, con LCD con sólo 3 pines DHT11 y BMP85

Arduino Monitor portátil de tiempo, altímetro, temperatura, humedad, con LCD con sólo 3 pines DHT11 y BMP85

hice este proyecto ya que a menudo escalar montañas como el de la foto y necesito saber la altitud, la temperatura y también cambios en el clima, a veces en cuestión de minutos el tiempo que muy mala, con granizo, la nieve y una niebla muy densa.Todo
Indicador de medición de temperatura en 16 x 2 LCD con el ajuste de la temperatura superior y límite inferior para ADVERTENCIA utilizando Arduino

Indicador de medición de temperatura en 16 x 2 LCD con el ajuste de la temperatura superior y límite inferior para ADVERTENCIA utilizando Arduino

Hola a todos, aquí está mi primer proyecto con Arduino. En este proyecto, voy a mostrar cómo medir la temperatura y mostrar en un LCD de 16 x 2 usando Arduino y nosotros podemos utilizar 2 botones para elegir lo que queremos ver en la pantalla LCD: g
1602 teclado LCD protector módulo I2C mochila

1602 teclado LCD protector módulo I2C mochila

Como parte de un proyecto más grande, quería tener una pantalla LCD y un teclado para la navegación de algunos sencillos menús. Utilizaré un montón de los puertos de la entrada-salida en el Arduino para otros trabajos, por eso he querido una interfaz
Añadir Bluetooth a una pantalla de LCD con entrada serial

Añadir Bluetooth a una pantalla de LCD con entrada serial

Pantallas de LCD con entrada serial pueden actualizarse a Bluetooth mediante un puerto de serie Bluetooth JY-MCU. Una buena razón para hacer esto es por lo que la pantalla se puede utilizar con un teléfono Android o tablet. Una sencilla aplicación An
Cómo interfaz LCD con Arduino

Cómo interfaz LCD con Arduino

Hoy en este instructable va a mostrar cómo puede interactuar un LCD con arduino.Su instrcutable DIY muy fácil que todo el mundo lo hizo en menos de 10 minutos...Este proyecto también le ayuda a mostrar los datos en la pantalla LCD que se recoge de lo
BRICOLAJE TV de pantalla LCD con Arduino y mando a distancia inteligente

BRICOLAJE TV de pantalla LCD con Arduino y mando a distancia inteligente

En los pasos siguientes, usted hacer un DIY "TV" con el código para un smart remote y realmente vídeos y posiblemente incluso conectar el mando a distancia inteligente a la placa de base real.Materiales:Espejo de papelEstabilizador sólido y no f
Control de LCD con placa de LinkIt uno

Control de LCD con placa de LinkIt uno

Hoy en día, a estar buscando formas de interactuar con el mundo exterior usando su LinkIt una placa de desarrollo. En esta guía, usted aprenderá a controlar un módulo de 16 por 2 LCD usando sólo un potenciómetro, algunos cables y la placa LinkIt uno
En red mochila LCD con pantalla LCD Smartie

En red mochila LCD con pantalla LCD Smartie

pantallas LCD de caracteres que desplazamiento de información son un mod de caja popular. Generalmente son controlados a través de un Puerto paralelo, mochila de puerto serieo mochila USB (más). Este Instructable muestra nuestra mochila de código abi
Entretela de 16 x 2 LCD con msp430 launchpad en modo 4 bits

Entretela de 16 x 2 LCD con msp430 launchpad en modo 4 bits

en este instructable escribo entretela de unos 16 x 2 LCD con microcontrolador msp430g2553. Si no sabes sobre el modo de 8 bits entonces recomendamos que lea mi instructable sobre interfaz de 8 bits. Ahora estoy suponiendo en este instructable que ya
Detección de temperatura y humedad con frambuesa Pi y HTU21 / SHT21

Detección de temperatura y humedad con frambuesa Pi y HTU21 / SHT21

Se pregunta ¿qué es el tiempo? Vamos a comprobarlo con el Pi de frambuesa! Este tutorial proporciona instrucciones paso a paso cómo detectar humedad y temperatura con el sensor I2C de suciedad barato HTU21D y abrir el código fuente en la Raspberry Pi
Cómo utilizar la pantalla LCD con arduino tutorial

Cómo utilizar la pantalla LCD con arduino tutorial

Hola todos espero que bien :)Hoy yo soy va a enseñarle a utilizar un LCD display con Arduino (sólo un mensaje de mundo infierno).Si eres un principiante o nunca jugaste con pantalla de LCD con Arduino antes, este instructable definitivamente para ust