Monster Mayhem: Utilizando lectores NFC a chicles de liberación a través de un juego de (3 / 5 paso)

Paso 3: cableado

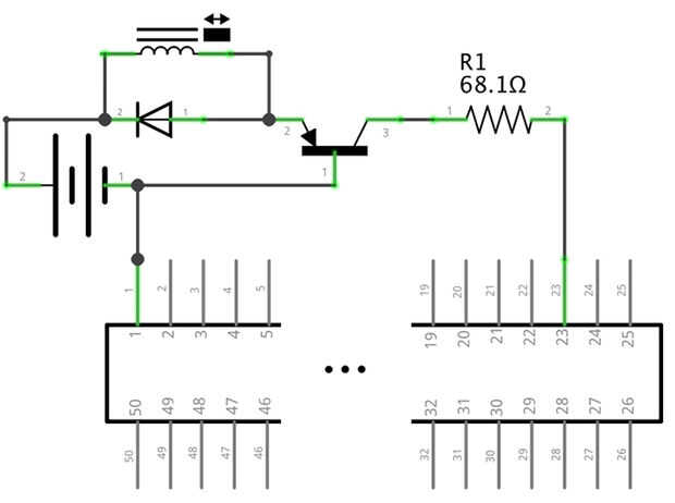
Desde la creación de Kinoma no puede suministrar suficiente voltaje o corriente para disparar el solenoide, necesitábamos un circuito simple con una fuente de alimentación más grande de alambre. Utilizamos pilas AA enganchadas juntos para crear un origen de 21V. El diodo flyback se usa para prevenir un arco de electricidad. La resistencia evita un cortocircuito entre la fuente de 21V y el crear de Kinoma. El transistor actúa como un interruptor para el circuito.

Artículos Relacionados

Sistema de asistencia con lector NFC Tag y frambuesa Pi

Sistema de asistencia con lector NFC Tag y frambuesa Pi

con mi nuevo juguete frambuesa pi he hecho pruebas de varios proyectos deinstructables, adafruit etc.. Pero después de un tiempo se convirtió en aburrido y he empezado buscando algo realmente útil para mí. Mi patio anterior fue mi nuevo teléfono desd
Escudo de RFID Lector NFC PN5332 Chico

Escudo de RFID Lector NFC PN5332 Chico

Una tarjeta para escudo RFID NFC lector PN532 es leer módulos de RFID/NFC de infrarojo de 13.56 Mhz. Esta tarjeta es compatibles con Arduino o con algún otro microcontrolador. Puede trabajar por protocolo I2C, HSU o SPI. La antena viene ya incluida e
Alternativa a Amazon el tablero botón utilizando etiquetas NFC

Alternativa a Amazon el tablero botón utilizando etiquetas NFC

Amazon ahora ofrece dispositivos de botón pulsador para colocar alrededor de su casa para facilitar la reordenación de los bienes básicos como detergente. Se llaman "Botones de tablero".En la actualidad, el costo de $5 de los botones es reembols
BRICOLAJE papel cinta/Punch Card Maker y lector

BRICOLAJE papel cinta/Punch Card Maker y lector

Cinta de papel y tarjetas perforadas fueron utilizadas en los años 50 y años 60 (y hasta finales de la década de 1990) como almacenamiento de datos para varios equipos y máquinas CNC incluso! Corte de mano o mano Lea la tarjeta sería terriblemente le
Amiibo NFC Reader!

Amiibo NFC Reader!

Son un éxito en pleno auge, bajo en la acción, y las probabilidades son si eres fan de todo lo relacionado con Nintendo, tienes al menos uno de estos objetos de colección. Como puede haber adivinado, el tema en cuestión es Amiibo, figuras de NFC de N
3D impreso prototipo de pulsera NFC (proyecto TfCD de Jeremy Evers y Bas Van Der Werf)

3D impreso prototipo de pulsera NFC (proyecto TfCD de Jeremy Evers y Bas Van Der Werf)

El siguiente instructivo le ayudará a hacer tu propia pulsera NFC. Esta pulsera se puede dar diferentes funciones escribiendo el código con tu smartphone en el chip NFC. Un chip NFC es un chip que puede comunicarse a corta distancia con un dispositiv
Calabaza de Halloween pagar - NFC habilitado calabazas

Calabaza de Halloween pagar - NFC habilitado calabazas

¿Así que Apple paga está caliente ahora mismo? Bueno, este año a mis hijos de casa utiliza calabaza pagar en su lugar! OK para no distribuir calabazas de NFC para todos.En su lugar hice un simple juego. Escoge la "calabaza de la magia", si hacer
Lector RFID para EPassports por teléfono Android (TfCD)

Lector RFID para EPassports por teléfono Android (TfCD)

(Parte de TfCD asignación 2 para el IPD maestro en TU Delft)Este instructable muestra cómo usar el teléfono como un lector RFID. El objetivo es leer los datos almacenados en el chip de un pasaporte electrónico incluyendo nombres, género, nacionalidad
Controlador de Nintendo en un lector de tarjetas de PC

Controlador de Nintendo en un lector de tarjetas de PC

poner un lector de tarjetas dentro de un controlador de Nintendo para su ordenador de sobremesa o portátil.Cualquier mención de este proyecto debe proporcionar un enlace hacia www.zieak.com con crédito a Ryan McFarland.Paso 1: Herramientas y material
Caja con lector de MicroSD incorporado del teléfono

Caja con lector de MicroSD incorporado del teléfono

La introducción siguiente es mi queja sobre la falta de espacio de almacenamiento en mi teléfono y como llegué inspirado y motivado para crear este proyecto. No dude en saltar hacia adelante y sumérgete en la instrucción a partir de paso 1.Teléfono m
BRICOLAJE de Motorola de Skip

BRICOLAJE de Motorola de Skip

Motorola Skip es un accesorio NFC para los teléfonos móviles de Motorola permite desbloquear de una manera fácil un smarphone cuente con lector NFC. En este caso yo utilizo para las Naciones Unidas cuenta con la tecnología NFC de Moto X este smarphon
Banco de trabajo madera

Banco de trabajo madera

masiva tapa sólida,agujeros de perro de banco sin fin,6 profundidad dibuja,2 armarios de profundidad,vicio de 1 final,vicio normal 1.ESTE ES EL 7 º IVE LO HA HECHO.originalmente compré un plan de RON PAULK, un banco de trabajo portátil. pero cambió e
Construir un datalogger para la red inalámbrica de sensores

Construir un datalogger para la red inalámbrica de sensores

necesitábamos un datalogger que proporciona una marca de tiempo, y que sería pasados 2 semanas en el bosque. Utilizando una computadora portátil requiere un generador o batería descomunal. Este Instructable muestra cómo hacer un datalogger de un escu
Magia música mesa sin menús, sin los botones

Magia música mesa sin menús, sin los botones

Nota:Este instructable es ahora un poco viejo y una máquina mejor fabricada con partes bajas del costo y mucho mejor software que automáticamente le permite nuevas tarjetas "par" con temas nuevos se añaden a la lista de reproducción de iPod.sele