Paso 4: El circuito de soldadura







No ICs directamente a la Junta de la soldadura - Utilice siempre cajas de!
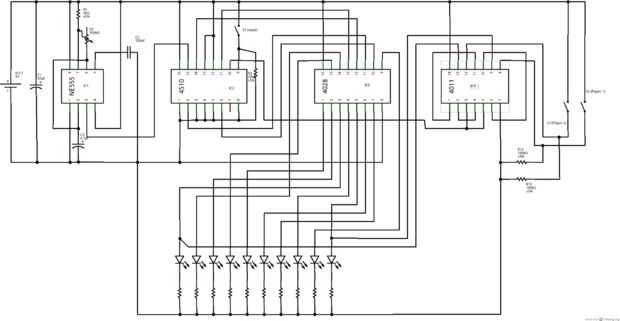
Comenzar con el circuito NE555 y Suelde todas las conexiones paso a paso. No te olvides de verificar dos veces todas las conexiones utilizando el multímetro para evitar errores. Podría ser difícil encontrar la conexión que falta/mal más adelante. Consulte el diagrama del circuito y trabajo esmerado. (haga clic aquí para una versión grande del diagrama)
Hice algunas modificaciones en mi última versión: dejé el pulsador (S1) y el desplegable relacionados con resistenc, porque no es necesario para el juego. Simplemente conecté el pin de reset (9) a tierra. Yo también sustituir las resistencias limitantes actuales diez (al lado de los LEDs) con una sola. Uno es suficiente porque sólo un LED se enciende una vez.
En el último paso el alambre de la soldadura para los LEDs, poteniometer, interruptor on-off, clip de la batería y los dos pulsadores. Usé diferentes colores no se confunda al conectar estas partes para arriba. Yo altamente recomendar usted para hacerlo.
Ahora es el momento para el ICs para unirse a la fiesta. Poner a las tomas. Poner la placa en la caja y alambre el pulsadores LEDs, potenciómetro, clip de batería e interruptor on-off. Otra vez: cuidadosamente comprobar cada uno de alambre! Es fácil cometer errores aquí.