Paso 2: El esquema...

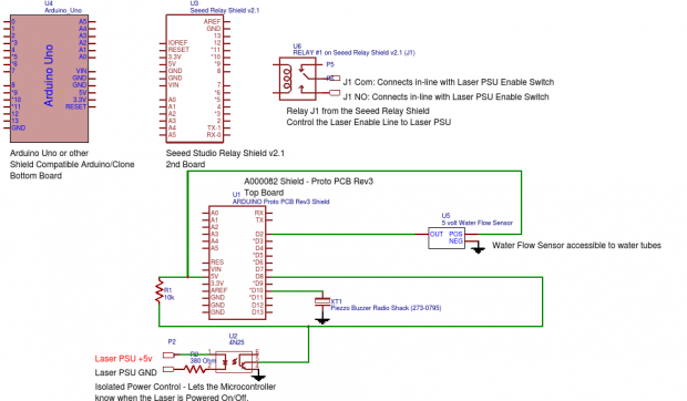
Mientras que este dispositivo es relativamente simple, el esquema es un poco complejo porque contiene componentes conectables (Arduino y Seeed Studio relé protector) y debido a la conexión señala de alimentación el láser de CO2 - tanto para contar cuando el láser se apaga que desactivará la alarma acústica, así como a desactivar el láser cuando se activa la alarma.

Notas:
- Positivo del zumbador piezoeléctrico se conecta al PIN 10 del Arduino, es negativa con el conductor a tierra.
- El agua sensor de flujo plomo se conecta al PIN 2 de Arduino. Es importante utilizar PIN 2 (o también si se cambia el esbozo del PIN 3) fácilmente utilizar interrupción 0 (interrumpir 1 PIN 3) en el microcontrolador. El positivo se conecta a la línea de 5 voltios y la tierra conducen a la tierra.
- PIN 8 de Arduino está conectado al colector del Opto aislador (Pin 5 de la NTE3040). Una resistencia de ohmio 10 k también lazos de 8 pines de Arduino a la línea de 5 voltios como resistor de pull-up.
- Emisor del Opto-aislador esté conectada a la tierra.
- La fuente el láser de alimentación debe proporcionar una línea de 5 voltios para la electrónica. Si no lo necesita ajustar el valor de la resistencia o utilizar otra forma de aislamiento. El poder de 5 voltios en el Laser fuente de alimentación se conecta al ánodo del opto-aislador (pin 1 de la NTE3040). El cátodo (pin 2) se conectará a través de un resistor de 380 ohms a tierra de fuente de alimentación del láser. Asegúrese de comprobar las especificaciones de LED de su aislador y utilizar un resistor adecuado para bajar la tensión en el diodo a un nivel seguro.
- J1 COM y NC J1 actúan como un interruptor de atajo secundaria para alimentar el láser. Mi unidad de K40 tiene un conmutador se usa para desactivar el láser (mientras que el resto del sistema permanece funcional). Yo simplemente cortar uno de los cables entre el interruptor y la fuente de alimentación del láser y empalmar en conexiones J1 COM y J1 NO
- Este esquema fue hecha usando EasyEDA. Por favor apoyarlos ya que este servicio es muy valioso!
