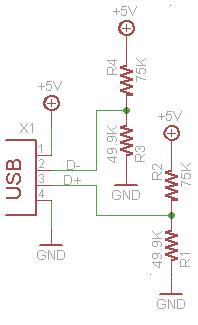
Paso 1: un poco teoría



Hoy en día el iPhone cuenta con una cierta tensión en los dos pasadores para decidir cuanta corriente para absorber el cargador. Poner un voltaje V 2.0 en ambos los alfileres el iPhone absorberá cerca de 500 mA, mientras que con 2.8 V en D - y 2.0 V en D + se absorben sobre 1000 mA.
El mismo comportamiento que se esperaba observar en mi iPod.
En las imágenes hay los planes para las dos configuraciones. Como se puede ver, mediante un oportuno par de resistencias es posible obtener la tensión necesaria. Obviamente la configuración de mA de 1000 es mejor si quieres su teléfono carga más rápido, pero es posible que su alimentación no puede soportar tanta corriente.