Modelo de coche de policía (6 / 9 paso)

Paso 6: Poner juntos todos

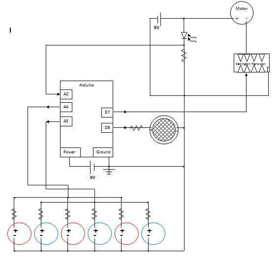
Ahora solo falta que las diferentes partes a Arduino y asegurarse de conectar entre sí todos los motivos por lo que todos tienen el mismo valor. Los diagramas de abajo muestran el Arduino y los puertos se deben conectar a que circuitos y el diagrama completo con todas las piezas juntas. Asegúrese de utilizar suficiente cable para que pueden maniobrar las piezas en el interior del coche. Cuando tengas todo conectado al Arduino amarra todos los cables el Arduino juntos y con el agujero en la placa Arduino. Entonces que va a ser seguros.

Artículos Relacionados

Coche de policía LEGO

Coche de policía LEGO

HEY jóvenes MAKER!, mi nombre es CHRIS y trabajo en el (donde hizo puedes hacerlo? Centro comunitario de Archdale en Roslindale y trabajar por el vapor CLUB.)El proyecto que estoy haciendo para ustedes chicos para ver y votar por es mi LEGO/PICOCRICK
Coche de policía concepto

Coche de policía concepto

he estado construyendo cosas fuera de este sitio un rato, pero allí no los coches de lego que sentía como edificio. Me decidí por mi primer post sea mi coche de policía. Por favor comentar si desea las instrucciones porque no quiero desarmar este coc
Modelo de coche de payaso Koopa de Bowser con efectos de sonido, luces y la hélice. Hace de viejo tarro de las galletas.

Modelo de coche de payaso Koopa de Bowser con efectos de sonido, luces y la hélice. Hace de viejo tarro de las galletas.

Herramientas necesarias:Gafas de seguridadCortadores de alambrecuchillopistola de pegamento calientesoldadura de hierrotaladroMateriales necesarios:algo en forma como el coche de payaso (estoy usando un viejo tarro de las galletas con la parte inferi
Haga su propio modelo de coches y guardar un paquete!

Haga su propio modelo de coches y guardar un paquete!

Aquí es una manera de hacer los coches modelo rápidamente, barato y eficaz! Quisiera algunos modelos para utilizar en dioramas, en vez de comprar coches, decidí hacerlos. Pueden hacerse varios tamaños, según lo que desee. Esto es lo que hice:Paso 1:
Modelo del coche - haciendo un molde de silicona Split

Modelo del coche - haciendo un molde de silicona Split

este video instructivo revisa el proceso para hacer una sola pieza de silicona dividida molde y fundición de piezas de uretano con una pieza de un coche modelo. Alumilite los productos utilizados en este video son: arcilla de modelado sintético, Quic
Consigues un coche de policía en los Sims 3 (PC)

Consigues un coche de policía en los Sims 3 (PC)

Ver Video aquí: http://youtu.be/3n2RLtiqxLgTutorial sobre cómo obtener un policía de crucero en los sims 3.Pasos:1. Asegúrese de que usted no tiene un trabajo2. Pulse ctrl + shift + C a la vez para conseguir una barra de trucos3. Escriba "testingchea
Diseño de un coche de modelo Custom

Diseño de un coche de modelo Custom

si estás cansado de los kits de coche modelo disponibles en las tiendas, ¿por qué no diseñar su propia? Diseñar su propio coche de modelo puede ser un proyecto emocionante que le da control sobre los detalles de cada pieza, tales como tamaño, forma y
La física del coche de seguridad

La física del coche de seguridad

Coche de diseño está en constante evolución para adaptarse a diferentes ambientes y las preocupaciones de seguridad que presentan. Particularmente en los últimos cuarenta años, ha habido muchas nuevas características de diseño en los vehículos con un
Iluminación LED en modelos de plástico

Iluminación LED en modelos de plástico

Así, sólo ha conseguido un nuevo kit modelo plástico que tiene un montón de piezas de claras y un interior fresco y estás pensando, "sería genial si podría iluminar esto de alguna manera, pero no sé ¿cómo?" ¿Que es lo que preocupa, chico? Bien,
Coche clave mod con electrónica

Coche clave mod con electrónica

Hola DIYers :)Inspirado en el proyecto un poco más simple con el modelo de coche de HotWheels y no electrónica de usuario schnurrbart, proyecto es aquí: llave caliente del coche de ruedasasí que, vamos a empezar... o espera... antes de se comprometen
Coche Pi3 frambuesa Dash Cam

Coche Pi3 frambuesa Dash Cam

IntroducciónAnteriormente he trabajado con placas Arduino para desarrollar un movimiento basado en móvil alertas. Pero siempre quise trabajar con frambuesa Pi debido a los proyectos diversificados que podrían hacerse fácilmente ya que es una computad
Coche aceite cambio-el camino de la derecha

Coche aceite cambio-el camino de la derecha

Si estás leyendo esto, entonces usted está probablemente pensando en cambiar el aceite en su coche... USTED MISMO!!!!!! Este es un pensamiento muy aterrador, haciendo algo mecánico en tu coche! ¿Que no deben ser dejados a los profesionales? no, sólo
Hacer un coche de la ranura con la impresión 3D.

Hacer un coche de la ranura con la impresión 3D.

Hola y Bienvenidos a mi tutorial sobre cómo 3D imprimir su propio coche de la ranura. Puesto que el proyecto depende fuertemente de lo que quieres hacer, no entrar demasiado detalle donde no es necesario.Así, sin más adeu, comencemos!Paso 1: Encontra
Antiguo 1949 ford modelo oxidados coupe Tudor

Antiguo 1949 ford modelo oxidados coupe Tudor

Aquí os muestro cómo crear corrosión auténtica en un Ford de 1949, pero los productos y técnicas se pueden utilizar fácilmente en cualquiera de los kits modelo. Coches como nuestros Revell VW Samba Bus o Tamiya VW Escarabajo sería igualmente buenos.