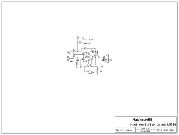
Mini amplificador con LM386

pequeño Simple dispositivo de audio con una alta fidelidad calidad sonido útil para Mp3 usuarios e iPod
Etiquetas: Cuesta abajo

Artículos Relacionados

Mini amplificador LM386 con pan tablero pcb

Mini amplificador LM386 con pan tablero pcb

El LM386 es un amplificador de audio de bajo voltaje. Puede proporcionar 125mW a 750mW, suficiente para cualquier proyecto que utiliza audio. Este circuito puede funcionar con baterías, requiere mínimo partes externas y trabajos de 4 a 18 voltios (en
La 'joya' - Mini amplificador / amplificador de guitarra -

La 'joya' - Mini amplificador / amplificador de guitarra -

este es un mini amplificador basado en el amplificador de la joya, en runoffgroove.com.  La unidad produce solamente 1/2 vatio, si quiere producir un watt completo para conducir un altavoz de 12", entonces le sugiero construir la pequeña gema MKII (p
Sencillo amplificador con TDA2822M

Sencillo amplificador con TDA2822M

En este instructable usted aprenderá, cómo hacer un sencillo amplificador de audio con el TDA2822M. El costo total de los componentes no cuesta mucho (máximo de $ 5) y porque el circuito es muy simple no es necesario un PCB, se puede hacer en un prot
Cómo hacer un Mini arma con sus propias manos

Cómo hacer un Mini arma con sus propias manos

https://youtu.be/am6SdwaAxzsPaso 1: Preparación de mini pistola necesitamos: Para la preparación de mini arma con sus propias manos necesitamos cierta electrónica - elemento piezoeléctrico - para ser más exactos. 1 - barra de madera2 - elemento piezo
Cómo hacer Mini Arcade con Arcadia

Cómo hacer Mini Arcade con Arcadia

Esto es cómo hacer que mi mini arcadas con las piezas del estante. Se hace con Kindle fuego Arcadie como la cáscara con juegos de video listo para el funcionamiento interno. También utiliza una pantalla LCD de 5" para la pantalla. Vean mi video de Ga
DIY Knit Mini falda con forro

DIY Knit Mini falda con forro

Tramo de DIY knit mini falda con forro. Super fácil de hacer. Hice esta falda con el top peplum DIY que hice en mi otro video.Lo que se necesita: 1 yarda de tela de estiramiento de 1 yarda de guarnición una falda que se ajusta usted enrosque bien pun
Mini marioneta con etapa en lata Altoids

Mini marioneta con etapa en lata Altoids

pensé que sería lindo hacer una mini marioneta con un poco de la etapa que cabría en una lata Altoids y podría estar también allí. Así que en el video que estaba siendo tonta y mi novio pensó que sería divertido para postear un video de eso. No pagar
Cómo hacer Mini sobres con llavero de telar

Cómo hacer Mini sobres con llavero de telar

he probado a hacer mini sobres de papel y me pareció bastante fácil. Tan pronto como me enteré de cómo dibujar un recorte. Para mí no cuesta nada, pero entonces otra vez estoy en Rumania ahora y utilicé cosas que traje conmigo de América por lo que p
Casa madera Mini torno con taladro de prensa de mesa

Casa madera Mini torno con taladro de prensa de mesa

¿BRICOLAJE madera Mini torno con taladro de prensa de mesa? Sí, es que cierto usted puede construir muy fácil por viejo taladro de prensa de mesa
Mesa Circular Mini casero con taladro en mano casa construida caladora cortadora madera PCB

Mesa Circular Mini casero con taladro en mano casa construida caladora cortadora madera PCB

Mesa Circular Mini casero con taladro en mano casa construida Jig Sierra madera PCB cortadoraMateriales:2 piezas de aluminio de 100 x 70 x 30 mm1 pieza de aluminio 160 mm x 160 mm x 12 m m para la cama1 pieza de aluminio 160 x 160 x 12 mm para la tap
Mesa Circular Mini casero con taladro en mano casa construida Jig Sierra madera PCB de la máquina

Mesa Circular Mini casero con taladro en mano casa construida Jig Sierra madera PCB de la máquina

Mesa Circular Mini casero con taladro en mano casa construida Jig Sierra madera PCB de la máquinaMateriales:Caseros cabezal portabrocas eje cabezal móvil aquí:1 piezas HSS 100 mm Rotary herramientas Sierra Circular cuchillas corte discos mandril de c
Cómo hacer un Mini amplificador de Audio sencillo

Cómo hacer un Mini amplificador de Audio sencillo

https://www.youtube.com/watch?v=H7rpCHgnEds&feature=youtu.bePaso 1: Hacer un amplificador de Audio sencillo Mini necesita!!!!!! En el vídeo de hoy te mostraré cómo hacer el intensificador sonido mini más simple basado en LM386.Paso 2: Paso a paso!!!
Portable - Mini amplificador altavoces

Portable - Mini amplificador altavoces

en este instructable, le mostraré cómo hacer un altavoz de amplificador simple con componentes comunes, no es una simple pero portable. Utiliza LM386N IC que es un amplificador de potencia de audio de bajo voltaje. Cuando el proyecto haya finalizado
Mini amplificador de guitarra de ataúd (en batería)

Mini amplificador de guitarra de ataúd (en batería)

(Lo sentimos, me cagué mucho en este video, y batería en amperios no estaba plena. es mucho más fuerte)¡ Hola! Bienvenido a toutorial de como hacer un amplificador de guitarra Mini ataúd, conecta directamente a la guitarra, sin cables y sin adaptador