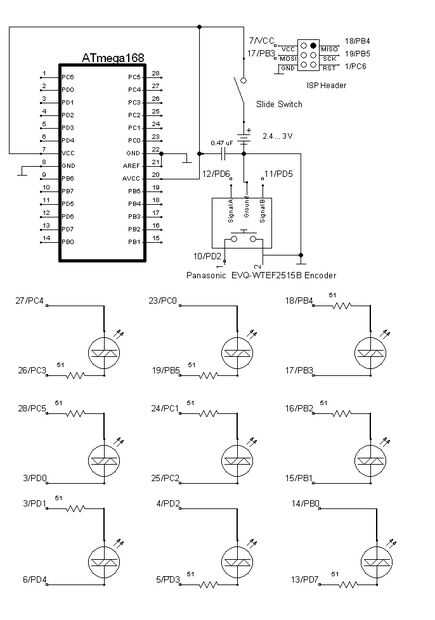
Microcontrolador ATMEL juega el juego de Tic-Tac-Toe (2 / 10 paso)

Paso 2: Diagrama de circuitos

Aquí está el diagrama del circuito de este juguete.

Artículos Relacionados

Cómo hacer un juego de TIC TAC TOE utilizando C++

Cómo hacer un juego de TIC TAC TOE utilizando C++

C++ es un lenguaje de programación estáticamente mecanografiado, forma libre, multiparadigma, compilado, uso general. Se considera como un lenguaje de nivel intermedio, que comprende dos características del lenguaje de alto nivel y bajo nivel. Desarr
Robot de Tic-Tac-Toe

Robot de Tic-Tac-Toe

en este Instructable mostrará cómo hacer un brazo robot que juega Tic Tac Toe utilizando un controlador de robot mago Micro, 4 servos y bloques de construcción / materiales de su elección. El cableado es muy simple, apenas enchufe 4 servos y la bater
Ganar estrategias TIC-TAC-Toe

Ganar estrategias TIC-TAC-Toe

Todo el mundo ama el simple juego de Tic-Tac-Toe, pero parece como un juego al azar. En realidad, no!Parece que muchos conflictos pueden resolverse mediante un simple juego...Ahora usted puede ganar la siguiente Juega-Tic-tac-toe-off mirando estas 4
Arduino y Touchpad Tic Tac Toe

Arduino y Touchpad Tic Tac Toe

o un ejercicio de entrada y salida de la multiplexación y trabajar con bits.  Y una presentación para el concurso de Arduino.Se trata de una implementación de un juego de tic tac toe utilizando una matriz de 3 x 3 de doble color LED para la pantalla,
Tic-Tac-Toe K'nex

Tic-Tac-Toe K'nex

¿quién no conoce este juego? Tres en raya, uno de los juegos más jugados de siempre. Recientemente, he hecho las tres en raya que ha hecho Daniel662000. Vi que podía utilizar la mejora, así que hice esta versión. Es más pequeño y tiene una menor cant
Cómo escribir un programa de Tic-Tac-Toe en Java

Cómo escribir un programa de Tic-Tac-Toe en Java

Introducción:Tres en raya es un juego muy común que es bastante fácil de jugar. Las reglas del juego son simples y bien conocidos. Debido a estas cosas, Tic-Tac-Toe es bastante fácil de código de arriba. En este tutorial, buscará cómo codificar un tr
FPGA Tic Tac Toe

FPGA Tic Tac Toe

¿"Tic Tac Toe? ¿Qué es eso? Nunca oí de eso."-Nadie nuncaPor Ryan Frawley y Derek NguyenEsta guía le mostrará cómo hacer un trabajo de Tic Tac Toe juego en VHDL en un tablero de SDMONexys 2 FPGA. Este tutorial fue hecho por parte de un proyecto
Tic Tac Toe juego usando Arduino

Tic Tac Toe juego usando Arduino

Tic Tac Toe es un juego popular de papel de dos jugadores en que primer jugador que complete una fila o columna o diagonal de 'X' o ' o ' wins. Si nadie no pudo lograr la hazaña, se dibuja el partido.Paso 1: Componentes necesarios1) Arduino Uno / Nan
Tic Tac Toe juego

Tic Tac Toe juego

Hi. Este tutorial le mostrará cómo hacer un Tic Tac Toe juego en Visual Basic. Este un juego muy simple y divertido para hacer y se puede hacer en un corto período de tiempo.Usted necesitará los siguientes materiales:- Computadora-Microsoft Visual Ba
Tic Tac Toe de viaje

Tic Tac Toe de viaje

Dedo del pie de tic tac es un juego de viaje impresionante que puede mantener a niños y adultos ocupados durante las horas de un viaje por carretera. Con un poco de fieltro y creatividad pude hacer una placa impresionante viaje reutilizable tic tac t
Hacer Tic Tac Toe en Java

Hacer Tic Tac Toe en Java

este instructivo le guiará, paso a paso, por lo que Tic Tac Toe en Java! Esto no pretende ser un resumen del lenguaje Java, pero más de un ejemplo guiado. El primer paso será ir sobre algunos conceptos básicos para hacer el resto de la guía bajar sua
Tic Tac Toe

Tic Tac Toe

Tic Tac ToeEste es un proyecto muy sencillo que cualquiera puede hacer, que realmente podría hacer esto con herramientas limitadas.Utilizar y reciclar un viejo tablero Rimu Head pero puede usar cualquier cosa. (También se puede hacer esto cualquier t
Diversión rústico Tic Tac Toe

Diversión rústico Tic Tac Toe

Tic Tac Toe el amor?? ¡Yo también! Yo he jugado desde que era niño, ahora gano bien o es un sorteo ;-DEs un divertido juego para jugar con los niños y hacer esta versión rústica hace más divertido! Hacerlo y lo regalo! Todo el mundo le encantaría :-)
Inteligente Arduino Uno y la Mega Tic Tac Toe (tres en raya)

Inteligente Arduino Uno y la Mega Tic Tac Toe (tres en raya)

He decidido crear el clásico juego de tres en raya (o Tic Tac Toe, como también se conoce) en el Arduino después de ser pedido por mi hija si podríamos construir un juego juntos. Aquí está un video jugando la versión final en el Arduino Mega. El segu