Paso 2: El Hardware



Como se puede ver en el esquema, todas las funciones están separadas por puertos por lo que la programación es agradable y simple. Control de ánodos para cada dígito es manejado por el puerto C. Estos pines de control de la multiplexación de la pantalla. Puerto D control de los cátodos de la pantalla, fundamentalmente, establecer qué segmentos de cada dígito a la luz. Y por último, nuestro genérico entrada-salida, cosas como el LED, altavoz y botones, es manejado por el puerto B. Las conexiones restantes son estándar para el funcionamiento de lo ATmega; como la 10 k Ohm resistencia en el pin de reset y el condensador de desacoplamiento entre Vcc y tierra.
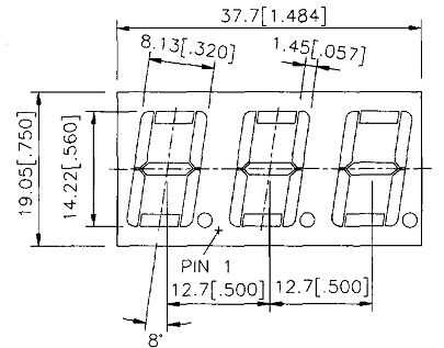
Asegúrese de la tercera imagen de arriba para ver lugares de pin de la pantalla de siete segmentos. Pueden ser un poco difíciles de averiguar. También, en el esquema los pernos del bloque de pantalla coincide con el diseño del mundo real, así que el pin 1 es en la esquina inferior izquierda y doce es directamente encima de él.