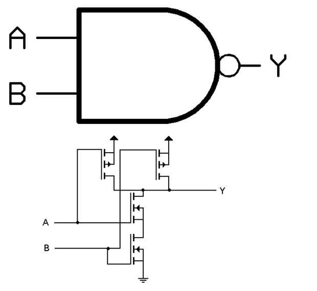
Paso 5: La puerta del NAND

A Y B
0 0 1
0 1 1
1 0 1
1 1 0
Requiere 4 MOSFET funcionar, P 2 canales y 2 canales de N en la configuración de abajo. Los FETs de canal P son en paralelo, pero los FETs de canal N se apilan para arriba, en una configuración de "Tótem". Si cualquiera A o B es bajo, entonces corriente puede fluir a través de uno de los el FETs de canal P, haciendo Y lógica 1. Esto es fiel a la tabla de verdad. Si ambos A y B son altas, entonces el p-canal FETs apagar y encienden ambos FETs de canal N, que lógica Y 0. Como fiel a la mesa.













