Paso 1:

Vas a necesitar algunas partes para ello. 3d impreso un cuerpo e incluido los archivos aquí. Esto va a cambiar en el futuro como el robot se convierte en un amistoso más humano.
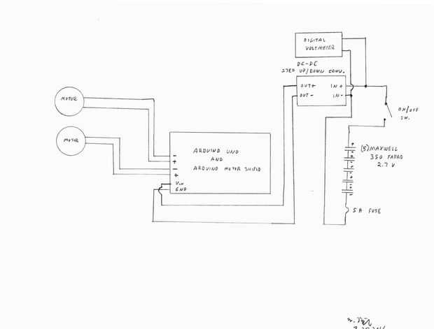
Piezas necesarias:
Arduino Uno
Shield Arduino Motor
Módulo convertidor de DC - este módulo $9,00 proporciona una salida constante (seleccionar de 1,25 voltios 26) basada en una entrada de 3.5 a 28 voltios. La salida sigue siendo la misma aun cuando la entrada cambia.
(5) 350 faradio 2,7 voltios condensadores
(2) motores de 12 voltios 60 rpm
Opcional: voltímetro Digital para controlar capacitores
(2) soportes de montaje del motor
(2) cinturón vacío Eureka (la banda de rodadura de las ruedas)