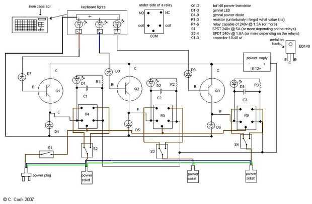
Material eléctrico de control con el ordenador (5 / 10 paso)

Paso 5: Bits electrónicos

ahora este es el más fiddley, armar el circuito.

Me daba pereza hacer un PCB soldar los cables a los componentes

Artículos Relacionados

LinkIT uno: Equipo eléctrico de control con smartphone

LinkIT uno: Equipo eléctrico de control con smartphone

El objetivo principal de este proyecto para satisfacer alguna necesidad básica de la pereza humana con teléfono inteligente propio. Pero su llamado de manera inteligente porque estamos controlando equipos eléctricos a través de nuestro smartphone. As
Control de tu iPhone o iPod Touch con el ordenador

Control de tu iPhone o iPod Touch con el ordenador

este Instructable le mostrará cómo usar veency, un programa disponible en Cydia, que te permitirá controlar tu iPhone o iPod a través de VNC en el ordenador.Esto requiere que tenga:-jailbreak iPhone o iPod touch con Cydia-ordenador, Mac o PC (no esto
¿LEGO NXT el control con wiimote

¿LEGO NXT el control con wiimote

siempre quiere construir su propio vehículo RC? Ahora usted puede. En control de su diseño y fácil de usar Legos, por ser Legos. Todo lo que necesitas es un Lego NXT, un ordenador con un software de control y Bluetooth dongleTengo 17 años.Paso 1: mat
Simple Led de Control con Blynk y NodeMCU Esp8266 12E

Simple Led de Control con Blynk y NodeMCU Esp8266 12E

¡ Hola chicos! ¿Cómo estás? Esta vez tengo un proyecto interesante con la Junta de desarrollo más reciente de nodo MCU esp8266 12E en combinación con uno de la mejor aplicación para Internet de las cosas - BLYNK App.Así que todo comenzó cuando me pre
Como restablecer contraseña de ordenador con otro ordenador

Como restablecer contraseña de ordenador con otro ordenador

Casi todo el mundo establece una contraseña para entrar a la computadora. Sin embargo, gente a menudo olvidó su contraseña de la computadora y se encerraron en el ordenador. Así que la preocupación de la gente es Cómo reajustar la contraseña de la co
Trabajar con varios ordenadores (para estudiantes)

Trabajar con varios ordenadores (para estudiantes)

trabajo con varios ordenadores puede ser muy difícil. Nunca se sabe qué archivos se encuentran en ordenador, se puede ejecutar en problemas con múltiples versión del mismo archivo, y como resultado, usted podría perder sus archivos todos juntos o por
Cómo texto con el ordenador

Cómo texto con el ordenador

en este Instructable, le mostraré cómo texto con el ordenador.Paso 1: fuentes de Aquí están los suministros que necesita.1. una computadora con conexión a internet2. una cuenta de correo electrónico3. un recipiente con un teléfono celular habilitado
Encendedor con un ordenador portátil de viaje

Encendedor con un ordenador portátil de viaje

casos de viajes para los ordenadores portátiles suelen ser voluminosos. Algunos apenas caben bajo los asientos en un avión. En la foto es un agregado de nylon' recibe como parte de un paquete de registro de Convenio. Es lo suficientemente grande para
Control remoto del ordenador con Arduino

Control remoto del ordenador con Arduino

esta semana utilicé un Teensyduino actuar como traductor entre un control remoto infrarrojo y mi ordenador.  El Teensy Lee las señales infrarrojas del control remoto y luego emula un teclado USB.  Lo estoy usando para el control de VLC Media Player c
¿Control de luces de su casa con el ordenador

¿Control de luces de su casa con el ordenador

que siempre quisiste controlar las luces de tu casa desde tu ordenador? Es realmente bastante asequible para hacerlo. Usted puede incluso controlar persianas automáticas, pantallas de proyección motorizadas, sistemas de riego, etc.. Necesitas dos pie
IoT NFT sistema Aquaponic Controler con WebApp (Intel Edison y Node.js)

IoT NFT sistema Aquaponic Controler con WebApp (Intel Edison y Node.js)

AcuaponiaAquaponic combina la acuicultura (cultivo de pescado) con hidroponía (cultivo de plantas en agua). Excretar el pescado se descompone por las bacterias a nitratos que son absorbidos por las plantas como nutrientes y ley de raíces de la planta
Construir un lanzador de fuegos artificiales de safer(?) con un ordenador viejo.

Construir un lanzador de fuegos artificiales de safer(?) con un ordenador viejo.

ADVERTENCIA: este es un proyecto peligroso con consecuencias potencialmente fatales. Seguir todas las leyes locales y regulaciones y esté por favor seguro.Lanzamiento de proyectiles de artillería como los profesionales por unos centavos!Una fuente de
Cosas que hacer con un ordenador antiguo

Cosas que hacer con un ordenador antiguo

Paso 1: antes de abrir crack... Actualizado 31/01/2012Gracias a MrJentis por algunas ideas más.Antes de ir rasgando abierta Recuerde que puede volver a utilizar el ordenador entero y no sólo algunos de los componentes.1.-instalar LinuxLinux es de cód
Primeros pasos con el ordenador de bolsillo Mini

Primeros pasos con el ordenador de bolsillo Mini

Alrededor de un mes y medio atrás, creé un proyecto llamado la Mini computadora de bolsillo y escribió un Instructable sobre cómo construirlo. Este Instructable tiene todo el proyecto un paso más allá ayudando a comenzar con su Mini computadora de bo