Marca: Bluetooth control RGB led t-shirt con Splat PLC (6 / 12 paso)

Paso 6: Iniciar el controlador de

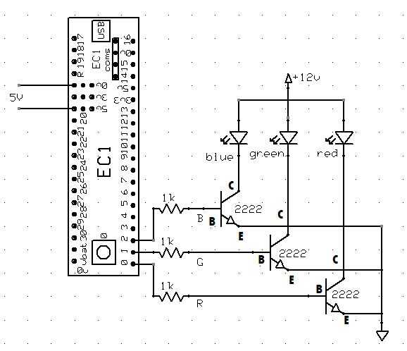
Ahora que tenemos las luces hechas, comenzaremos en el controlador. primero tenemos que reunir la Junta perf, resistencias, transistores, algunos cables y algunos conectores hembra individuales. También si está utilizando un regulador de 5v para el poder de la EC1 tendrá incluir en este foro.

Comenzaremos colocando los transistores 2n2222 3 en una línea con 2 filas entre cada uno para que sea fácil para soldar, soldar y recortar las puntas.

* Anterior es el esquema final para el controlador si quieres saltar por delante *

Artículos Relacionados

Bluetooth control RGB LED lámpara

Bluetooth control RGB LED lámpara

En este Instructable demuestro cómo crear una lámpara multicolor controlada vía Bluetooth utilizando un Arduino, el módulo Bluetooth HC-05 y dispositivo Android o Teraterm para ordenadores con Bluetooth. El código para la lámpara actualmente permite
IPhone controla RGB LED (Arduino)

IPhone controla RGB LED (Arduino)

Este proyecto muestra cómo configurar Arduino con un LED RGB y control con su iPhone a través de tu red Wifi. Son capaces de establecer 15 diferentes colores + 2 programas con aplicación para el iPhone.Dirección URL del vídeo de la versión parcial de
Frambuesa Pi cero - Control RGB LED con E-Waste

Frambuesa Pi cero - Control RGB LED con E-Waste

Hola nación ahorrativa,Voy a mostrarle cómo controlar una tira RGB led con frambuesa pi y pigpioHe construido este circuito de la basura electrónica que consta de una placa antigua y una fuente de poder muertaSi el video de arriba no funciona para us
Arduino 101 y Visuino: Control de LED de Smartphone con Bluetooth LE

Arduino 101 y Visuino: Control de LED de Smartphone con Bluetooth LE

101 de Arduino es un microcontrolador potente, que también viene con construido en acelerómetro, giroscopio, termómetro y Bluetooth LE (BLE). El Bluetooth hace particularmente bueno cabe para el desarrollo de la IoT y control remoto de teléfonos inte
IR control RGB LED

IR control RGB LED

Esto permite completo control RGB de LED RGB (colores aprox. 1,6 millones). Esto es simplemente una prueba de concepto; aplicaciones reales pueden conectarse y srtip RGB LED para la iluminación de tu habitación o tu PC.Lista de partes:Arduino UNO Rev
Arduino controla RGB LED Junta de matriz de punto

Arduino controla RGB LED Junta de matriz de punto

este proyecto es un tablero de música DIY relativamente directa y simple.La Junta de matriz de puntos permitirá a cualquier persona de crear su propia música y ritmos.Todo lo que necesitas tener es una comprensión del Arduino y el circuito.Paso 1: Re
SoGo Mini sólo Portable Multi Speaker con APP control RGB LED luz

SoGo Mini sólo Portable Multi Speaker con APP control RGB LED luz

Próximamente SoGo Mini único Multi de altavoces portátil con la aplicaciónAnillo personalizable color y luz de LED RGB controlado. Amplia gama de compatibilidad con otros dispositivos, como PC, Android, Mac, IOS, 20 más hora de alimentación backup y
Use botón para Control de LED en pcDuino con Java

Use botón para Control de LED en pcDuino con Java

en un post anterior, vimos cómo a parpadear LED con control GPIO de Java. En este post, veremos cómo utilizar el programa con Java para implementar un LED controlado por un botón.Paso 1: Lista de piezas Lista de piezas:1 x módulo LED de vinculadorVar
Equipo control RGB Led

Equipo control RGB Led

aquí hay algunas fotos de un proyecto que he estado trabajando. Su un Led RGB puede ser controlado desde mi PC. Además de ser capaces de cambiar su color, también soy capaz de hacerlo parpadear en todo caso que elegir. Empecé este proyecto un tiempo
Tutorial 4 - control de LEDs y servos con sensores y realizar funciones

Tutorial 4 - control de LEDs y servos con sensores y realizar funciones

utilizando la librería Servo; asignación de variables a otra variable; creación de funciones
Android Bluetooth Control Led RGB

Android Bluetooth Control Led RGB

Elegir el color de la luz que te hace sentir más cómodo.Mando a distancia bluetooth simple que puede modificar la iluminación de tu dispositivo móvil o tablet.Tiene dos canales RGB separados donde se pueden obtener diversos colores por canal.Control
RGB - Led tira 12 V controlado por un ATtiny85 con un módulo RFID de 125Khz

RGB - Led tira 12 V controlado por un ATtiny85 con un módulo RFID de 125Khz

La idea básica me dio este lado RGB-RFID-lámpara. Pero ya que tengo mucho ATtiny85 utilizo este microcontrolador. Para hacerlo más fácil para mí, he probado todo parte primero en un Arduino Uno.Material:1 x RGB-tira de Led 12 V1 x ATtiny853 x MOSFET
Bluetooth control lámpara arco iris

Bluetooth control lámpara arco iris

Esta lámpara de arco iris controlado por Bluetooth se puede cambiar a cualquier color usando tu smartphone. La lámpara no sólo se ve como los siete colores del arco iris pero también brilla en los siete colores del arco iris. Las formas que hace en l
RESTful RGB Led

RESTful RGB Led

Este instructable controla un RGB led a través de servicios rest, pc y un puerto usb utilizando un módulo de entrada simple usb.Cómo funcionaRestio servidor (software suministrado con el módulo de entrada de usb) se ejecuta en un pc con un puerto usb