Paso 4: El circuito principal





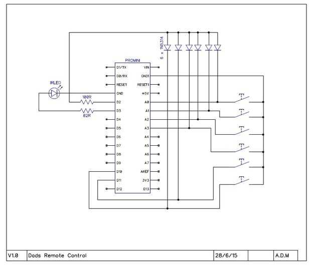
El circuito básico es simple - sólo botones en seis entradas y el LED en una salida. Hay una leve complejidad añadida para que el Arduino puede ir en modo dormir y despertar con un cierre al pulsar un botón. Esto se logra por tener pin que D2 conectado a todos los botones a través de diodos.
Porque no hay mucho espacio, he utilizado el Arduino con solamente el un encabezado pequeño instalado para conectar a la PC y poder. Los diodos fueron soldados en la parte posterior de la Arduino con un trozo de cinta aislante que protege la parte posterior. Se coloca un cable desde cada uno de los pares de conector hembra de Dupont a través del agujero de un lado, y el diodo se coloca a través del agujero en el otro. Extender los cables de los diodos algunos mm en el lado de plomo para dar la fuerza de plomo cubierto con cabeza de 3mm de diámetro del encogimiento.
Los diodos son doblados sobre y soldados a la resistencia de 100 ohmios, el otro extremo de la que luego va al pin D2.
El segundo conductor del cada mujer Dupont par de conectores es todos soldados juntos y conectado al pin GND por un tramo corto de alambre.
Soldar dos cables de la clavija de la D3 y la tierra espiga para ir al LED infrarrojo.
Los diodos en la parte trasera están cubiertos con cinta aislante.