Paso 5: Alambre para arriba (otra vez)


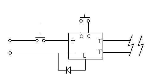
Suelde los cables apropiados dependiendo de tu circuito, si usted está utilizando uno o dos switches y si incluye el LED. Es difícil explicar por escrito por lo que solo daré los diagramas de circuito - sin embargo usted alambre para arriba, el circuito debe tener los cables soldados a los terminales de la batería, terminales de carga del interruptor, terminales del interruptor del obturador y opcionalmente el cable de LED "ready". Una vez que tiene los cables soldados en, los cables de alimentación a la batería de la cinta (o poner la batería en el soporte), empuje el interruptor a través del orificio en la lata, atornille las tuercas a seguro y coloque el circuito en su nuevo hogar.
Una vez que los cables de disparo a una longitud cómoda, agregue un alivio de tensión en el interior. Prefiero poner firmemente una atadura alrededor de los cables de disparo, pero sólo puede hacer un nudo en ellos en este momento.