Luz del EEG Neuro-humor (1 / 6 paso)

Paso 1: Piezas necesarias

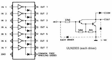
Piezas necesarias:

Mindwave

Edison de Intel

HC05

Tira de LED de 1 M

ULN2003

fuente de alimentación de 12V.

Artículos Relacionados

Ventana falsa luz del humor

Ventana falsa luz del humor

Para todos los que viven actualmente en el sótano de sus padres o volver a vivir en el sótano de sus padres, vestir a su morada sin ventanas con esta luz limpia ventana imitación del humor. Por cierto, su habitación ha ya sido alquilado hace mucho ti
Luz del humor mención de Twitter

Luz del humor mención de Twitter

Luz del humor mención de Twitter - una luz de estado de ánimo que le avisa cuando es mencionado en Twitter.Se trata de una simple introducción en cómo controlar tu Arduino desde Twitter. Si eres nuevo en Arduino Twitter Arduino procesamiento Twitter
ATtiny85 RGB Mini luz del humor!

ATtiny85 RGB Mini luz del humor!

He visto luces de estado de ánimo RGB con Arduino, PIC y más grande AVR virutas, pero nunca uno con el ATtiny85. Es por eso que decidí hacer uno.Esta luz de estado de ánimo es super sencilla de hacer y todas las piezas pueden adquirirse en línea por
Teléfono inteligente controlado por luz del humor

Teléfono inteligente controlado por luz del humor

Este tutorial te enseña cómo hacer un humor ligero que puedes cambiar color y la intensidad de uso de tu iPhone.Vamos a utilizar La haba azul claro para el control de las luces. El LightBlue Bean es un Arduino microcontrolador compatible con Bluetoot
Montaje de la Mini luz del humor v1 Kit

Montaje de la Mini luz del humor v1 Kit

la Mini luz de estado de ánimo es un circuito pequeño generador de luz color de interactivo y reprogramable.  La luz de estado de ánimo consiste en un Texas Instruments MSP430 micro controlador conectado a dos LEDs RGB, cuatro botones y algunos compo
Luz del humor

Luz del humor

si tienes estantes inútiles y prácticamente inalcanzable, puede convertirlo en luz del humor fresco para decorar su hogar.Esta pieza de mobiliario fue diseñada originalmente para pasar luz al pasillo.Así que decidí hacerlo generar luz sin luz de díaP
Estado de ánimo-Cube (luz del humor del Li-ion)

Estado de ánimo-Cube (luz del humor del Li-ion)

En la sección de electrónica de Instructables.com todos parecen mostrar gran cariño por LEDs. Después de leer muchos artículos, pensé que sería un buen momento para contribuir a la plétora de proyectos LED. Presentando... Estado de ánimo-Cube! Este "
Botón gabinete Arcade luz del armario

Botón gabinete Arcade luz del armario

Este instructable es tomar luces de armario baratas y modificarlos para crear muy grandes botones para juegos u otros proyectos interactivos. He encontrado este pack doble de luces de armario en el depósito de la compra de impulso hacia el registro e
Espejo para hacer fuego con la luz del sol.

Espejo para hacer fuego con la luz del sol.

por tonytran2015 (Melbourne, Australia)Figuras: Invertir secuencias de encender un cigarrillo por el sistema de 5seconds y 1 segundo.Este post muestra cómo configurar un espejo y utilizarlo para comenzar rápidamente el fuego utilizando luz solar mode
Desvanecimiento de la luz del teclado RGB

Desvanecimiento de la luz del teclado RGB

Electrónica antigua está ampliamente disponible y generalmente pueden ser reciclados en adminículos frescos e incorporados en otros proyectos. Este Instructable pasará por el proceso de utilizar un scanner viejo para hacer una luz de teclado de desco
Cómo arreglar su luz del motor del cheque.

Cómo arreglar su luz del motor del cheque.

Fijación de su coche no tiene que ser caro. Gracias a la era de la información, cualquiera puede ser un "mecánico de Google". Aunque esta reparación específica puede no coincidir con su situación, es el mismo proceso. Así que vamos a deshacernos
Cómo leer los códigos de su motor luz del cheque (para coches más viejos)

Cómo leer los códigos de su motor luz del cheque (para coches más viejos)

usted puede pagar a un mecánico de un montón de dinero para leer códigos de error de su coche cuando se enciende la luz del motor del cheque, o puede tomar un clip de papel y leer los códigos usted mismo.Después de 1996 todos los coches fueron hechos
Compruebe su luz del motor del cheque usted mismo!

Compruebe su luz del motor del cheque usted mismo!

¿Has tenido esa sensación horrible cuando se enciende su luz del motor del cheque (CEL), mientras que usted está conduciendo? ¡ Tengo! El pensamiento que va a costar más de $100 que el distribuidor u otras tiendas diagnostiquen su vehículo es bastant
Cigarrillos de iluminación y hacer fuego con la luz del sol

Cigarrillos de iluminación y hacer fuego con la luz del sol

por tonytran2015 (Melbourne, Australia).Figura 1: Iluminación un cigarrillo por la luz solar. Latente es visible después de 27seconds. Figura 2: Diagrama del experimento.El título podría haber sido "Cigarrillos de la iluminación con la cara de un rel