Paso 6: Construir el circuito: diseño


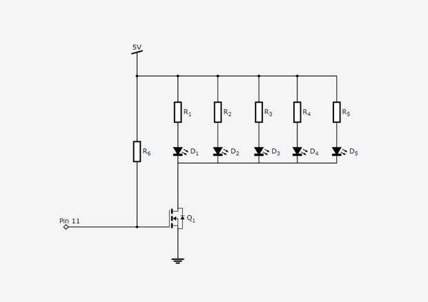
Para iluminar nuestra pequeña señal, utilizaremos varios LED en paralelo. Puesto que los pines de salida en la Raspberry Pi sólo pueden suministrar unos pocos mA de corriente, utilizaremos una potencia MOSFET como interruptor para alimentar directamente de la clavija de la fuente de 5V. Estamos usando el IRF510, que es un MOSFET de canal N, por lo que cuando el Pi envía una señal alta de lógica a lo MOSFET todos los LEDs se conectará a tierra.