Paso 1: Luz automática ON/OFF CONTROL uso temporizador






Fuente de alimentación para circuito utilizamos puente rectificador en el cual utilizamos el transformador, 4 diodos y el regulador IC LM7805
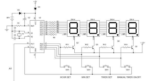
Un diagrama del circuito del temporizador de reloj, P1.0 P1.7 ánodo unidades de la común 7-segment LED display con fregadero actual.
P3.3 P3.0 conduce también un pin de la base del transistor PNP 4, BC557 con fregadero corriente.
Como se muestra en la figura, el 2 º LED de 2 dígitos que conectados al P3.2 y P3.3 es girar 180 grados a la 1 º 2 dígitos permitiendo el segmento PT. a utilizarse durante 1 segundo parpadea.
P3.3 P3.0 también conecta cuatro interruptores momentáneos, mientras que las otras patas se atan para entrada puerto P3.4.
Durante la visualización y exploración de llave, una lógica '0' se desplaza de P3.0 a P3.3,
Si hubo una tecla pulsada,
P3.4 pasó a ser baja.
P3.7 es un fregadero de 1-bit actual de conducción;
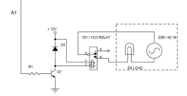
Un BC547 para conducir un pequeño 12V electromecánico.
ESPECIFICACIÓN TÉCNICA
Tipo - 4 dígitos 7 segmentos LED exhibición de pantalla
Tensión - 230 v AC
Max. Ajuste de la sincronización - 24 horas (sólo para horas y minutos)
Batería: 3.6V solamente (1, 5V x 3)
Carga de salida - 230V AC