Luz activa LED parpadeante (2 / 4 paso)

Paso 2: el circuito intermitente

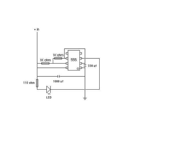
Esta página muestra el circuito de temporizador básico utilizado. Es un poco menos complejo que el esquema completo y puede ser útil dar un paso a la vez, sólo para asegurarse de que hacerlo bien.

Artículos Relacionados

Luz activa LED

Luz activa LED

el Arduino toma lecturas del sensor durante cinco segundos durante el arranque, y pistas el más alto y más bajo los valores obtiene. Estas lecturas del sensor durante los primeros cinco segundos de la ejecución del boceto definición el mínimo y máxim
Hacer una luz de LED de ciclistas. Cambio.

Hacer una luz de LED de ciclistas. Cambio.

Ciclistas son vulnerables por la noche en el tráfico. Ahora, ser vulnerable es fina, como puede ser notado por otros. Así que ¿qué un motociclista necesita hacerse notar en la noche? Eso es! Parpadeante luz de las estrellas!Echa un vistazo al video:S
Luz de LED Mood Instamorph

Luz de LED Mood Instamorph

Este Instructable llegó casi por accidente - un accidente feliz. Mis compañeros en el Makerspace estaban trabajando duro en sus aplicaciones más útiles y prácticos mientras estaba trabajando en un proyecto relacionado con uso de LED. No se puede igno
Luz intermitente LED

Luz intermitente LED

este es un circuito de luz intermitente de LED, que es muy sencillo de hacer y tiene muy pocos componentes. es decir un altavoz de 8 ohm, un LED y dos 1,5 v pilas AA tamaño. Este circuito puede usarse en árboles de Navidad, el LED parpadea según soni
Luz de LED con un Arduino

Luz de LED con un Arduino

Un Arduino es un hardware informático de código abierto, software de código abierto y basado en el microcontrolador kits para la construcción de dispositivos digitales y objetos interactivos que pueden detectar y controlar dispositivos físicos. Hay v
Caja de luz de LED Arcade Marquee

Caja de luz de LED Arcade Marquee

Desde que pasó un número excesivo de horas en la Galería creciendo y han pasado 14 años de desarrollo de videojuegos, yo no podía pasar la oportunidad de construir algunos de estos amigos y, por supuesto, uno para mí!Este álbum es básicamente una caj
SABLE DE LUZ! LED - 3D Printed - Fully Functional

SABLE DE LUZ! LED - 3D Printed - Fully Functional

Se trata de un sable de luz impresas 3D diseñado como un proyecto personal para mantenerme ocupado...Aquí hay un video demo: Demo VideoDéjame empezar diciendo que este es un muy fácil impresión y ganar... El mango tiene sólo dos estampas principal y
USB luz de led

USB luz de led

USB luz de ledPaso 1: materiales USB enchufe y cableLED azul (cualquier otro color funcionará también)resistencia de 100 ohmCaja o carcasa para el led (utilicé una caja de linterna llavero mini barato)Herramientas necesitadas para hacer este proyecto
Luz de LED USB 5 min

Luz de LED USB 5 min

En este Instructable, hice una simple luz de LED que puede ser alimentado desde un puerto USB.Lo que usted necesita:1 x LED1 x 100 ohm Resistor1 cable x USB (no importa qué cable siempre que tenga un enchufe del USB)1 x bola de Ping-PongPegamento cal
Luz Luxeon LED bicicleta

Luz Luxeon LED bicicleta

este instructable describe la construcción de una luz de bicicleta con tres LEDs de Luxeon de 3W. Este proyecto tenía tres objetivos principales. 1.) hace una luz conveniente para el uso en carreras de bicicleta de montaña de 24 horas. 2.) uso dispon
DIY 1,5 V a la luz 15 LED

DIY 1,5 V a la luz 15 LED

Mínimo un LED necesarios 3 V DC a la luz. Pero en este eksperiment podemos luz 15 LED con 1.5 baterías de V.Paso 1: Utiliza toroide de lámpara rota imágenes de: www.eyuana.comHe utilizado toroide de lámpara rota, y podemos transistor usado en esta pa
Pendientes de origami con luz de LED (colores de Mardi Gras)

Pendientes de origami con luz de LED (colores de Mardi Gras)

¿Que siempre quisiste ser la vida y la luz de la fiesta? No podemos dar vida, pero podemos ayudarle a convertirse en la mejor persona iluminada en la sala. Crear estos pendientes para su favorito vacaciones-rojo, blanco y azul para el día 4 de julio
Gabinete de exhibición de luz activa

Gabinete de exhibición de luz activa

hice este gabinete para una clase de inglés como un proyecto final. Está basado en una escultura llamada "Nacimiento de un Chile Jalapeño", hecha por un artista latino, que nuestra profesora de inglés nos mostró en clase un día. La escultura ori
Contador Geiger tarro estrella activa LED decoración (2012 remix)

Contador Geiger tarro estrella activa LED decoración (2012 remix)

este instructable construye sobre el contador Geiger activa LED decoraciones que hice el año pasado. Este poder de versión el contador Geiger de Arduino (sí mismo ahora alimentarse con un adaptador de red, por lo que ya no necesito mantener alimentac