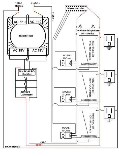
Luces de Navidad DIY conjunto música - coreografía luces de la casa (2 / 15 paso)

Paso 2: esquemático

Aquí es un diagrama del circuito tendrá que construir. Es básicamente un transformador para alimentar los relés de 9V. Luego un microcontrolador (pasos posteriores) enviará una señal a los MOSFET que entonces activa los relés que se conecte la alimentación de 110V a los enchufes individuales.

Artículos Relacionados

Decoraciones de Navidad DIY pegamento pistola

Decoraciones de Navidad DIY pegamento pistola

Estas decoraciones de Navidad DIY pegamento pistola son perfectas si quieres actualizar tus decoraciones de Navidad en un presupuesto bajo y rápidamente! Sólo debes elegir si desea crear un objeto festivo o una frase festiva, y seguir mis pasos para
¿Control de luces de su casa con el ordenador

¿Control de luces de su casa con el ordenador

que siempre quisiste controlar las luces de tu casa desde tu ordenador? Es realmente bastante asequible para hacerlo. Usted puede incluso controlar persianas automáticas, pantallas de proyección motorizadas, sistemas de riego, etc.. Necesitas dos pie
Controlador de luces de Navidad DIY simple

Controlador de luces de Navidad DIY simple

Feliz Navidad y ' All! Sé que es raro que hago un ' ible, pero a hacer una Navidad instructable para usted hoy. Durante un tiempo quieren hacer una configuración de luz de Navidad de controlado por ordenador pero no las piezas a construir uno o el di
Luces Navidad DIY

Luces Navidad DIY

añadir algunos pizazz a regulares luces para crear un color coordinado decoración o dormitorio iluminación de Navidad. 
Árbol de Navidad DIY modernos caseros

Árbol de Navidad DIY modernos caseros

Mis amigos en The Home Depot me pidieron diseñar un proyecto de árbol de vacaciones fuera de la madera contrachapada como parte de su programa de talleres DIY. Quería diseñar un árbol que podía funcionar tanto fuera como un ornamento del patio o en e
Regalo de Navidad DIY! Bricolaje No coser el gorro! Fácil, barato y lindo!

Regalo de Navidad DIY! Bricolaje No coser el gorro! Fácil, barato y lindo!

❤Please Suscríbete a mi channel❤!!!https://www.youtube.com/User/MORENADIY/FeaturedPaso 1: Materiales necesarios! ¡ Hola chicos! Puesto que el tiempo está un poco frío, pensé que haría este proyecto DIY muy fácil de cómo hacer un gorro con prendas vie
Árbol de Navidad DIY caja

Árbol de Navidad DIY caja

Un triste, lluviosa mañana del lunes de este mes, me encontré sin transporte y tipo de sensación de bla. ¿Qué hacer? Decidí sacar mis cosas de Navidad y decoración de inicio, pero una cosa estaba parada en mi camino... ningún árbol! El año pasado me
Adornos de Navidad DIY uñas

Adornos de Navidad DIY uñas

¿Tienes cualquier quitaesmaltes que encanta el look de pero nunca use y no quiere deshacerse de? ¿Tienes cualquier esmalte de uñas con ingredientes que no se siente seguro de usar? ¿O eres como yo, tienen un montón de polaco y quiero usar algo de él
Cómo hacer una caja de sombras con PVC - manualidades de Navidad DIY casero

Cómo hacer una caja de sombras con PVC - manualidades de Navidad DIY casero

Cómo hacer una caja de sombras con PVCEl otro día estaba trabajando en otro proyecto de PVC y mi esposa maravillosamente creativa manchado mi creación y pidió para convertirlo en una caja de sombra de la Navidad. Así que aquí está una gran manera de
La mejor propuesta de Navidad DIY siempre casarte conmigo Letras marquesina

La mejor propuesta de Navidad DIY siempre casarte conmigo Letras marquesina

La propuesta de Navidad^ enlace video youtube - reloj y compartir:)Madera comprado en home depot - corte con una sierra de calar, perforar los agujeros para las luces espaciadas 5" en el centro de la iluminación trabajar.
Tutorial pendientes de Navidad DIY instantáneo

Tutorial pendientes de Navidad DIY instantáneo

Crear un par de pendientes de Navidad en segundos con mi tutorial de regalo de último minuto de reciclado.Para cargas más consejos, trucos y DIYs visite mis confesiones de un Refashionista.
Guirnalda de Navidad DIY

Guirnalda de Navidad DIY

Este DIY guirnalda de la Navidad es una gran manera de añadir un poco de color festivo a su casa de dormitorios. Es muy fácil de hacer y puede terminar en una tarde.Paso 1: materialesrojo y verdefieltrola guitacintashilo y agujalentejuelas / cuentas
Árbol de Navidad DIY LED

Árbol de Navidad DIY LED

Mirar este tutoriales para que aprenda a hacer un simple DIY LED Navidad árbol.
Tarjetas de Navidad DIY de la línea de árboles

Tarjetas de Navidad DIY de la línea de árboles

Una guía paso a paso en video para hacer mis tarjetas de línea de los árboles usando hilo de bordar, herramientas sencillas y algún espíritu DIY vacaciones. También he incluido una plantilla de tarjeta de pdf para imprimir en cartulina y utilizar! (2