Luces de Navidad al aire libre (en forma bola) (3 / 5 paso)

Paso 3: montaje

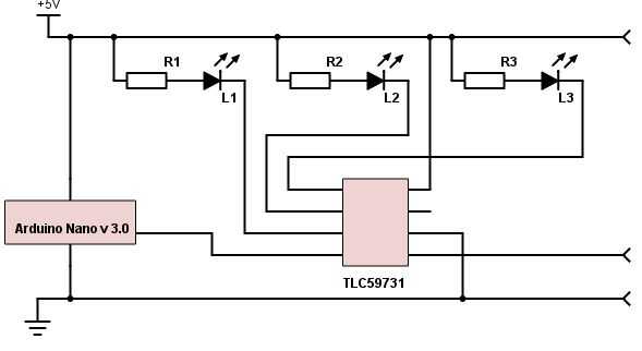
Es muy fácil pero aburrido. Pequeño Consejo: es mejor preparar todos los cables con la longitud apropiada en lugar de alambres de corte en el lugar.

Esquemas exactos de todo proyecto depende de su diseño, es aquí esquemas de la unidad más pequeña razonable.

Artículos Relacionados

8 cosas que puedes hacer para mejor protegen sus luces de LED al aire libre

8 cosas que puedes hacer para mejor protegen sus luces de LED al aire libre

Luces de LED al aire libre son muy útiles adiciones a su césped ojardín, pero necesita un poco de ayuda si quieres hacer que dure más de unos pocos meses. Aquí están algunos consejos ingeniosos para ayudarle a hacer precisamente eso:Paso 1: 1. Selecc
Adornos de Navidad al aire libre parpadeo

Adornos de Navidad al aire libre parpadeo

este instructable le mostrará cómo hacer al aire libre parpadeo ornamento de la Navidad de sus árboles que se ve realmente muy bien y es muy fácil de construir.Aquí hay un video de ella para darle una mejor idea.http://www.youtube.com/watch?v=BfxkX5v
Un hada impermeable para un árbol de Navidad al aire libre

Un hada impermeable para un árbol de Navidad al aire libre

[Haga clic en ver todos los pasos para leer correctamente este Instructable]Vive en una pequeña casa de campo, hace tres años que decidí acabar con la idea de tener un árbol de Navidad en la casa y desde entonces, el pequeño abeto Picea Pungens ' Luc
Bolas de Navidad al aire libre

Bolas de Navidad al aire libre

He estado a la caza de globos de cristal durante todo el año. Son un hallazgo barato en tiendas de segunda mano y ventas de yarda. Suerte quiso que, mientras trabajaba en el centro de donación en la cosecha de vida ahorro, 7 emparejar accesorios glob
Hermosas luces de Navidad de botellas de cerveza

Hermosas luces de Navidad de botellas de cerveza

por lo tanto, suena un poco trashy, pero realmente resulta muy hermoso. Todos en todos, 2.50 para luces, 1.00 para las suspensiones de ornamento y 1.00 para las uñas, además de por la cerveza (mi novio donó más de él!)Todo lo que necesitas es:-Filame
Colgante cadena Fiesta al aire libre luces

Colgante cadena Fiesta al aire libre luces

Puede ser una fiesta al aire libre en sus planes y si es así, entonces usted quiere estar seguro de que se crea el mejor ambiente posible. Iluminación de fiesta se puede Agregar activar tu fiesta al aire libre de la mirada apresuradamente reunido par
Ornamento del árbol de Navidad gigante al aire libre

Ornamento del árbol de Navidad gigante al aire libre

En este tutorial que vamos a hacer un gigante encendido árbol de navidad ornamento para colgar de un árbol al aire libre. He hecho de chatarra de varillas de acero soldadas con autógena juntas en un marco en forma de bola, que luego pintado para prot
Paisaje iluminación consejos y un paso al aire libre luces de

Paisaje iluminación consejos y un paso al aire libre luces de

fiestas al aire libre son el corazón de verano! Cuando usted comience el planeamiento para una fiesta de verano al aire libre existen diferentes fuentes de luz que necesita considerar además su. Igual que la gente busca en diferentes fuentes de luz e
Luces al aire libre

Luces al aire libre

este proyecto empezó cuando fui a comprar una bombilla halógena de recambio para mis luces al aire libre.  Cuando descubrí que cuestan 6-7 dólares cada uno, tuve una idea para reemplazar con algo que dure más y sea menos costosa.  LED parecía la opci
11Meters 60PCS LED luces solares al aire libre

11Meters 60PCS LED luces solares al aire libre

especificacionesColor disponible blanco/verde/azul/rojo/amarillo/RGBLED 9mm F5 LEDs60PCS LED cantidadLongitud 11metersEnergía de la batería solar 0.7wNI-MH batería 2pcs 1.2w / 1200MAHGrado del IP IP65Tiempo carga 4 horas 6 horas8 horas de tiempo de d
Árbol de secuencia de las luces al aire libre para las fiestas.

Árbol de secuencia de las luces al aire libre para las fiestas.

Este fue nuestro primer año haciendo algunas luces de Navidad DIY que se sincronizan a la música, así que empezamos a pequeños, añadiendo una característica o dos para nuestra pantalla luz estática existente.Hice un árbol con un tubo del conducto de
El tiempo en luces LED al aire libre a prueba de

El tiempo en luces LED al aire libre a prueba de

Estas luces al aire libre cuentan con un cuerpo de acero inoxidable, tapa de aluminio, policarbonato y juntas o-ring para la protección del clima y a la corrosión. Usa alta potencia LED, que puede ser un poco costoso, pero son eficientes, dure para s
Luces LED al aire libre

Luces LED al aire libre

Hace muchos años, he instalado una cadena de ocho luces de colores fuera de mi casa. Esto fue antes de bombillas CFL y LED estaban disponibles. Aunque estas luces funcionó a la perfección, hubo un inconveniente. Como estas bombillas fueron expuestas
XBee programable luces de Navidad

XBee programable luces de Navidad

siguiendo estos pasos, usted será capaz de controlar un filamento 50 tri-color de luces de Navidad inalámbricamente utilizando un XBee programable.Mi familia siempre ha estado en luces de Navidad y crear decoraciones personalizadas, así cuando leo es