Paso 1: teoría

Resistencia Calcs de LED blanco
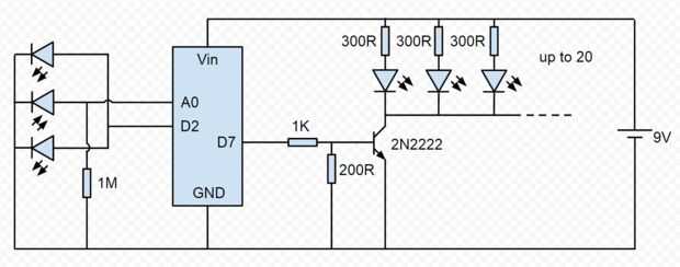
VCE = 0.3V
LED de tensión = 3.2V a 20mA
Vcc = 9V
9-0,3-3,2 = 5.5V -> 5.5/0.02 = 275R ~ 300R
****************************************************************************
Potencial divisor a la base del transistor
IC = 20 mA, BETA de 100
IB = 20/100 = 0.2mA
Divisor de tensión en la base necesita 20 veces 0.2mA = 20x0.2 = 4mA
Vin de Arduino = 3V3 y Vbe = 0. 8 para 2N2222
3.3/0.004 = 825
Vout = Vin * R2/(R1+R2)
0.8 = 3.3 * R1/(1100)
R1 = 825*(0.8/3.3) = 200 (tenía una resistencia de 200R)
R2 = 825-200 = 625 (no tengo una resistencia menos de 1K, todavía funciona)
****************************************************************************
Calcs de fotodiodo y la comprensión
Un fotodiodo funciona cambiando la cantidad de corriente que dibuja la luz aumenta y disminuye.
Sacará a la luz más que tarda en la corriente más. A medida que la corriente aumenta lo hace el potencial de tensión a través de él que es medida por el microcontrolador a través de un ADC.
Cálculo de la resistencia
Caída de voltaje del LED = 3 - 3, 4V (utilicé 3V)
Consumo de corriente = 20mA
R = V / I donde V = 9-3 y = 0.02
R = 6/0,02 = 300 ohmios