Paso 1: Las piezas



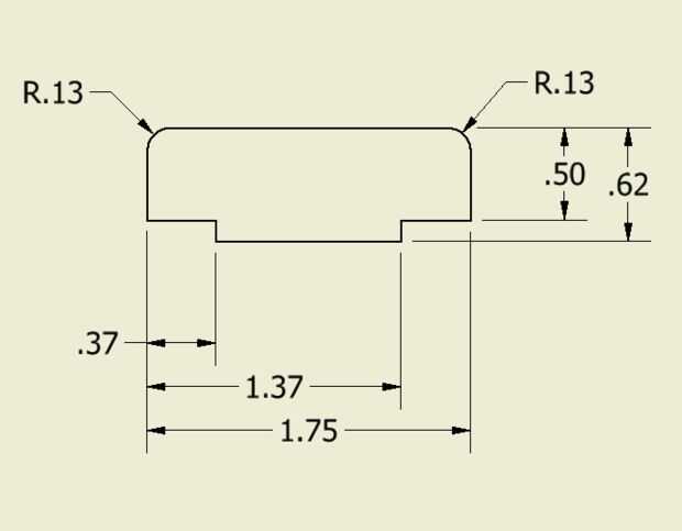
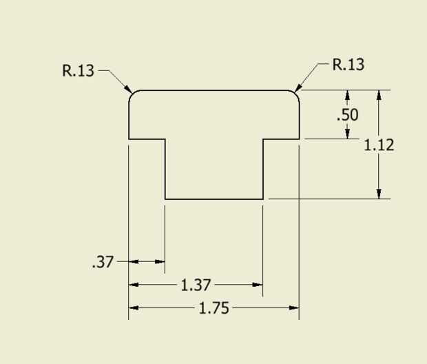
El primer paso es conseguir los archivos. Puede utilizar mis dibujos o puedes hacer tu propio basado en ellos. El producto consiste en tres piezas: la base, el grande y pequeña. Si usted quiere hacer su propia, mis dimensiones son indicadas. Aquí están los archivos de dxf para las piezas si quieres descargar minas (Nota: para obtener los archivos, haga clic derecho sobre ellos y seleccione "guardar enlace como" en Firefox y chrome o "Guardar destino como" en internet explorer. Una vez descargado, abres con un programa CAD como AutoCAD)