Llamar a campana (2 / 3 paso)

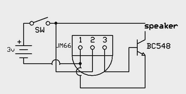
Paso 2: diagrama del circuito

complete el circuito según el diagrama del circuito, circuito muy simple y funciona con dos baterías de AA, la música varía de acuerdo a la UM66 IC

Artículos Relacionados

Campana de llamada inteligente

Campana de llamada inteligente

Vemos en casa todos que tenemos que llamar a campanas. Ir y buscar el interruptor y el timbre. Si nadie está en casa no sabemos y el anillo de la campana una y otra vez. A más que en este proyecto hacer inteligente llamar a campana. Que sentido la pe
Campanas de araña!

Campanas de araña!

Aquí es un pequeño proyecto para añadir arácnidos a tus viejitos. He utilizado bronceados, pero verde, rojo y plata están disponibles también.Decidí llamar a las campanas de la arañaCon la melodía de "Silver Bells" y con mis disculpas...En su át
Campana de buceo tanque

Campana de buceo tanque

estaba en un evento recientemente donde alguien tenía la más increíble variedad de instrumentos hechos de material reciclado.  El que realmente me cautivó fue un conjunto de colgante de tanques de gas que se había convertido en campanas, aunque supon
Campana apoyos para coche muestra

Campana apoyos para coche muestra

Sí sí otro Instructable sobre mi coche, pero tiene que hacer jajajaEste Instructable le mostrará cómo tomar cualquier figura de acción o lo que desea realmente y convertirlo en un "apoyo de la campana", "Capo de estancia" o lo que siem
Sifón de campana impresa 3D

Sifón de campana impresa 3D

Canal de YouTube: GetWiredDailySitio web: getwireddaily.com¡ Mira mi canal de youtube y mi Web site para más contenido como este, gracias!Shapeways (orden 3d artículos impresos): ShapeWaysIntservo: tiendaLa idea detrás de este proyecto fue simplement
BRICOLAJE - cómo utilizar la Arduino Uno para enviar un correo electrónico, SMS y hacer una voz llamar

BRICOLAJE - cómo utilizar la Arduino Uno para enviar un correo electrónico, SMS y hacer una voz llamar

¿Se pregunta cómo enviar correos electrónicos a través de tu Arduino Uno? No te preocupes... Este vídeo tutorial ilumine sobre el proceso paso a paso para enviar correos electrónicos, mensajes SMS, así como hacer voz llamar usando el 3G/GPRS shield l
Creed Assassins inspirado campana

Creed Assassins inspirado campana

Creed Assassins inspirado en campanaPor coser Super sencilloPara estable la tela del knit. Si no a una buena calidad media peso punto puede interfaz un peso más ligero de punto con entretela elástica. Si usted decide usar algo como paño grueso y suav
Restaurar la vieja campana de alarma de incendio

Restaurar la vieja campana de alarma de incendio

Tomé una campana de alarma de incendio escuela antiguo Sperti Faraday N276001 hierro fundido y recableado que conecte a un enchufe con un gran botón en la parte delantera. Este proyecto requiere de herramientas de electrónica básica y un cortador de
Llamar a Turquía Wingbone

Llamar a Turquía Wingbone

este es uno de la Turquía más antigua llamadas y está todavía en uso hoy en día. El sonido es único y de alguna manera hipnotiza pavos salvajes. Con un poco de práctica, puede hacer aullidos y Cluck ' s utilizando los huesos de otro pavo silvestre y
Su propio caballo campana del rojo de ganchillo

Su propio caballo campana del rojo de ganchillo

¿Va a un renacimiento justo y necesita un traje? Tal vez sólo quiero algo lindo para usar para mantener el calor afuera. Bien esta linda capa con capucha no cuesta demasiado hacer y no toma muy larga para hacer. (me llevó unas 5 horas) Mi cuñada Sara
Hacer un sifón campana

Hacer un sifón campana

un sifón campana se utiliza en sistemas de acuaponia e hidroponía flujo y reflujo con el fin de regular el flujo de agua.  Reflujo y flujo (también conocido como inundación y dren) sistema de agua se bombea en la cama crece.  En un punto específico (
Campana extractora de cocina bricolaje

Campana extractora de cocina bricolaje

Cada cocina necesita una forma para quitar el vapor y los olores de cocción. Es fácil comprar una campana extractora de IKEA pero ¿por qué no construir una tú mismo?Al instalar nuestra nueva cocina tuvimos todo excepto la campana. Nos rebusqué muchas
Campanas de monstruo!  Mantenga caliente y mirada impresionante en tiempo frío!

Campanas de monstruo! Mantenga caliente y mirada impresionante en tiempo frío!

Monstruos en la campana.Yo quería hacer campanas de monstruo por un tiempo... sólo tomóunos días de temperaturas para motivarme!Cada uno diseña sus propias campanas.Todos tenemos la diversión!Y, como de costumbre, hay un montón de fotos!  Hebilla par
De un Batman "Rojo campana: Jason Todd" disfraz

De un Batman "Rojo campana: Jason Todd" disfraz

fácilmente uno de mis preferidos líneas de la historia de Batman. Jason Todd vuelve a la vida después de ser asesinado por el Joker y es molesto.* Nota: el casco será conexión de forma a la cabeza toda. Atención a aquellos que son claustrofóbicosMate