Paso 3: Realizar el circuito



Soldar los cables a los cables del interruptor pulsador. Como con el LED, asegúrese de que los cables (si el botón está en el lugar) son lo suficientemente largos que podrás soldar a los otros componentes.
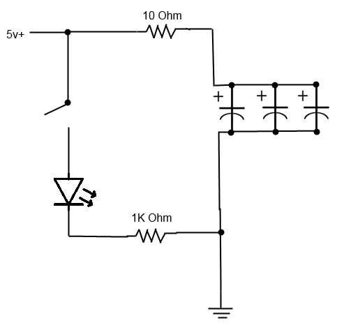
Utilizando el diagrama incluido aquí, la soldadura del circuito de esta manera:
Entrada positiva - MicroUSB para el cable positivo del interruptor pulsador
-Cable negativo del interruptor el positivo en el LED
-Negativo del LED a la resistencia de 1K
-1K resistencia a tierra en el microUSB
-soldar los condensadores en paralelo
-suelda el resistor de 10 ohmios a la entrada positiva de la microUSB
-soldadura de la resistencia de 10 ohmios a la entrada positiva para el grupo paralelo
-soldar el lado negativo del grupo del condensador a la tierra en el microUSB
Cubierto algunas partes de los componentes con cinta aislante para aislarlos unos de otros y de la cubierta externa del alumbrador. Además, he puesto una tira de cinta aislante en la parte inferior de la carcasa para aislar el conector microUSB de la carcasa (no estoy seguro si es necesario pero yo quería ser cuidadoso).
Algunos consejos:
-hacer todo lo mas ajustado posible. Hice todo de manera muy suelta y había que meter todo ahí al final y apenas cabe. Como realmente cerca no encajaba.
-tratar de soldar los condensadores de manera alterna en el grupo (clase de como está mostrados en la página de piezas) para ahorrar espacio. Mente aunque la polaridad! Así que uno en un lado, uno en el lado opuesto, entonces el tercero en el mismo lado que el primero.			













