Paso 4: Juntándolo todo


Por ahora, ya somos 80% hecho. Tenemos el paquete de baterías, los LEDs y los componentes de repuesto a la espera de ser montado en.
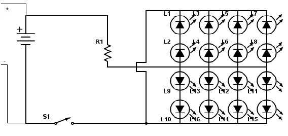
Comience uniendo los dos extremos alejados del panel LED junto con una sola pieza de alambre de cobre. Si eres bueno en la lectura de circuitos, el esquema será de gran ayuda aquí. El objetivo de esto es unir las derivaciones negativas, haciendo un toque único y más grande.
A continuación, instalar la resistencia de 10 ohmios por uno de sus extremos de conexión al grifo del positivo en el panel de LED. Si tienes perfboard, simplemente inserte la resistencia en los agujeros y conecte los cables por debajo. Si estás usando cartón, perfore los agujeros para los cables de la resistencia a través y hacer lo mismo. Después de configurar la resistencia, conecte un cable que sobresale de su conmutador a la pieza de alambre de cobre que une las dos derivaciones negativas. (Muy importante: no deje que lo positivo y negativo cables cruzan a menos que estén aislados)
Con nuestra resistencia, interruptor y LED cableado, ahora es el momento de poner en la batería. Encontrar el alambre terminal positivo de la batería y conectarlo al cable restante en el resistor. Esto completa el circuito. A continuación, conecte el cable terminal negativa al extremo libre del interruptor. Esto une la parte restante de nuestro circuito. Todo lo que queda por hacer ahora es conectar los cables de dos finales.
Conecte uno de los cables en el mismo lugar unió el cable negativo de la batería y el interruptor. Luego, fije el otro cable a la articulación donde se conectan el cable positivo de la batería y el resistor. Estos cables se utilizarán para cargar la batería pack-uso de otras baterías para paneles solares fuentes de DC powered de pared. Es importante que no estos dos cables en contacto, o habrá un corto circuito.
Y ahora, hemos terminado. Bueno, casi.