LinkIT uno - dados (2 / 4 paso)

Paso 2: circuito

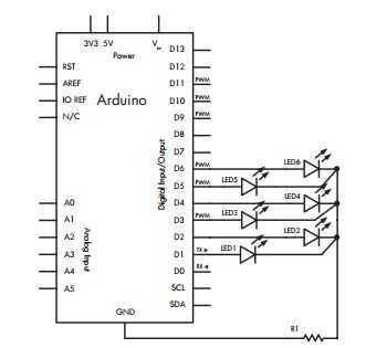
El circuito es bastante sencillo y puede encontrarse en la imagen de arriba. Todos los LED cátodo terminal está conectado juntos en una configuración de cátodo común. Y los ánodos de los LEDs están conectados al pin digital Linkit un 1 a 6. Si está usando bajo voltaje LED añade una resistencia de 330 ohmios en el cátodo y la terminal de tierra.

Artículos Relacionados

Simón dice con LinkIT uno

Simón dice con LinkIT uno

Vamos a ir a través de un proyecto de principiante clásico que combina diversión, circuitos y código: Simon Says. Construcción de su propio juego de Simon Says puede ser una excelente forma de sumergirse rápidamente en el impresionante mundo de ocupa
LinkIT uno - Home automatización con Bluetooth controlador Android App

LinkIT uno - Home automatización con Bluetooth controlador Android App

Todas las opciones se cuentan con los teléfonos inteligentes. Los teléfonos inteligentes hacen muy fácil nuestro trabajo y nos hacen perezoso. Vuelta y apagar electrodomésticos, teléfono inteligente con diente azul es en el mercado, pero costo alto.
LinkIT uno: Dice

LinkIT uno: Dice

¿no sería divertido si juegas un juego con un dado electrónico? Esto puede ser una buena manera de impresionar a sus amigos o hacerlos celosos!El proyecto, como puede verse claramente en el cuadro de la cubierta utiliza la linkit Mediatek uno para su
LinkIt uno - insulto generador

LinkIt uno - insulto generador

¡ Hola!Tema de hoy: diversión. Yo aprenderá a utilizar pantalla LCD y botón LinkIt uno de Mediatek, sino que será sombreado por cuánto diversión obtendrá de generador de algoritmos insulto!Vamos a empezar.Nota: idea no es originalmente mío pero no sé
El cable controlado por Linkit uno

El cable controlado por Linkit uno

En los últimos instructable le mostré como construir un dado electrónico usando Linkit uno, en este instrucable voy a mostrarle cómo controlar El alambre usando Linkit uno. Esta es semana de Navidad y este instructable le ayudan a configurar El alamb
Aplauda conmutador mediante Linkit uno

Aplauda conmutador mediante Linkit uno

Este es mi primer instructivo y en este instructable estoy usando linkit un micro controlador. Hoy voy a contarte cómo hacer un clap switch utilizando un tablero de linkit. Hay un montón de instructable contar cómo hacer un clap switch usando ICs esp
LinkIt uno Ultimate IoT

LinkIt uno Ultimate IoT

Si siempre han sido a los Emiratos Árabes Unidos en el verano, probablemente sabrás sobre el calor allí. Pero cuando estás dentro, en tu casa o habitación, y el acondicionador de aire está encendido, no se siente el calor en todos.Ahora imagina que t
Inteligente de alarma de la cama con LinkIT uno

Inteligente de alarma de la cama con LinkIT uno

Mi hermana tiene el peor momento de levantarse de la cama por la mañana. Te juro una banda podía caminar por su habitación y ella no tanto como la vuelta, y mucho menos levantarse de la cama. Para ayudar hacia fuera, decidí crear una alarma inteligen
DIY Xbox 360 controlador receptor LinkIt uno

DIY Xbox 360 controlador receptor LinkIt uno

En este Instructable, le dirá cómo hacer un receptor regulador de Xbox 360, para conectar su controlador de Xbox 360 a tu PC para jugar juegos.Para hacer esto, usted necesitará los siguientes elementos:Tablero de ROL Xbox 360 phatLinkIt uno y su cabl
LinkIT uno - comparación con escudos

LinkIT uno - comparación con escudos

LinkIT uno es un conjunto agradable de todos antenas y construir escudos para muchos dispositivos móviles. Con sólo 59$ proporcionar la instalación de alrededor de 214$. Con gran cantidad de integrados tableros su stand como una tarjeta única. Inclus
LinkIt uno tutoriales - #4 WiFi Web Server

LinkIt uno tutoriales - #4 WiFi Web Server

Ser capaz de parpadear un LED y un botón es genial, pero ¿qué pasa si usted quiere ir más allá? La Junta LinkIt uno tiene un montón de funcionalidades que debemos aprovechar.Para este tutorial vamos a configurar un servidor web simple que se conecta
Entrada de auto alerta de intruso con LinkIt uno

Entrada de auto alerta de intruso con LinkIt uno

¿Siempre quiere saber cuándo alguien está conduciendo en su entrada? Pues yo siempre tengo. Sobre todo cuando alguien viene a recoger uno de mis hijos para llevarlos a la escuela, o la danza u otro evento. Y puesto que es una pérdida de tiempo para s
Monitor de medio ambiente de Linkit uno

Monitor de medio ambiente de Linkit uno

He construido a un monitor de entorno usando el tablero de Linkit uno. Este monitor puede ser colocado remotamente en el edificio y monitor de movimiento y la temperatura en ese lugar. El monitor también envía su propio nivel de la batería para saber
Contador de objeto digital con interfaz de LDR de Mediatek LinkIt uno

Contador de objeto digital con interfaz de LDR de Mediatek LinkIt uno

En este Instructable, usted será capaz a Mediatek Linkit una tarjeta de interfaz con LDR y contador Digital de objeto que puede contar objetos hasta 9999.Paso 1: requisitos PCB placa de propósito generalCD 4 Johnson 4026 contador de década.4 común cá