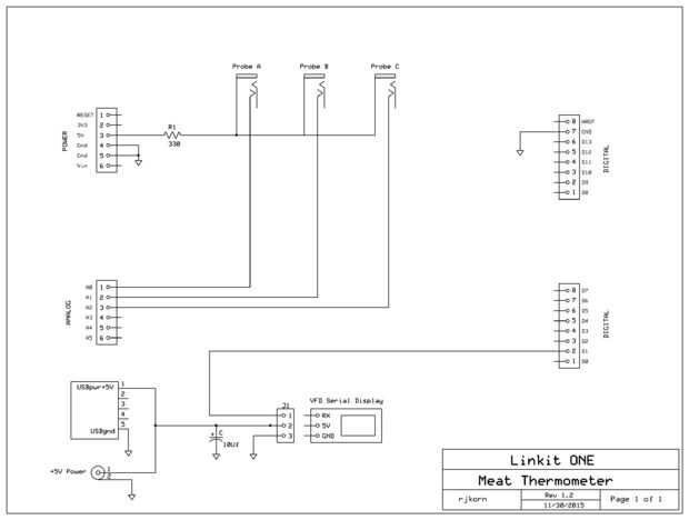
Paso 3: Diagrama esquemático y código

El esquema es tan simple como puede ser. Sólo necesita tres puntos. Un Linkit un tablero, un Display y sondas de temperatura. Puesto que las entradas analógicas son baja impedancia que tenía que poner los sensores en la parte alta. Usé el pequeño panel montaje de 3/32 auriculares de Radio Shack. Les alambré derecho a conectores de Dupont por lo que podría enchufar directamente a las cabeceras en Linkit uno.
Los conectores de auriculares debe ser aislado del chasis. Los cables trenzados sensor también estará en + 5V así que ten cuidado ahí también. Puede aislar el cable de antena también. Si su preocupación unos pantalones cortos de la resistencia de 330 ohmios en el positivo de la Linkit uno ofrece protección contra cortocircuitos. Si usted puede encontrar una PTC que sería una mejor opción...