Paso 3: Hardware y control







Cómo enviar datos a TLC5916:
La Junta Directiva y el circuito están como se muestra arriba.
- El MSB de los datos es enviado primero.
- El pin de pecado es ajustados alto o bajo dependiendo del MSB de los datos.
- El pin SCLK es pulsado (enviar alta y enviar baja).
- Los datos es entonces cambiado de puesto izquierda una vez que la segunda mayoría del pedacito significativo se convierte en el MSB.
- Una vez que todos los bits se transfieren, la clavija de enganche está pulsada una vez para enviar los datos del registro de retención para el registro de salida.
- La salida aparece cuando el pin de salida permiten (pin activo bajo) se establece en 0 en las clavijas O0 O7.
- Se conecta una resistencia externa entre R_EXT pin y GND para fijar la corriente en el canal de salida.
- Para dos TLCs en cascada, el perno de la SDO del primer TLC es conectado al pin de pecado del próximo TLC con SCLK, cierre y OE' pernos de ambos en corto.
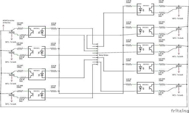
Control de la matriz del bulbo:
Para controlar la matriz del bulbo, se utiliza un circuito de relé (SSR) de estado sólido utilizando un triac optoacoplador. La Junta Directiva y el circuito están como se muestra arriba.
- Soldadura de nueve de los circuitos de relé como se muestra en una tabla donde todos MT2s son cortocircuito y sacar (un cable rosa). Cada uno de los MT2s se saca por separado (cables naranja).
- En el lado de la entrada, todas las resistencias conectados entre sí y sacar como un plomo solo. 2 terminal es decir, tierra del optoacoplador se sacan por separado que chaneel 1 y 5, 2 y 6, 3 y 7, 4 y 8 están en cortocircuito juntos para dar 4 canales como el número de salidas que se conecta a 4 conectores de pin.
Para controlar la Asamblea total donde cada segmento / capa se controla individualmente (36 de ecualizador + 4 altavoces + 4 de la matriz del bulbo = 44), utilizamos seis TLC5916 que son 8 constante actual receptor de canal serial a paralelo conductores del LED que puede ser conectado en cascada.
- Hacer el circuito como se muestra en la figura. Lo TLCs son en cascada tal que la salida de datos Serial de uno está conectada a la entrada Serial de la siguiente.
- Todos los relojes y los enganches están cortocircuitados. El pin de salida permiten siempre está conectado a tierra. La resistencia limitadora actual externa es 1kΩ.
- Los datos que el TLC es enviados por el MSP430 en el Launchpad.
- El MSP recibe datos a través de la UART de la computadora.
Integración de todas las partes:
- Todas las salidas del ecualizador LED están conectadas a los canales primero 36 de los canales de salida de TLC5916 (los canales se nombran 1-48 a partir de lo TLC que recibe datos desde el PC).
- La matriz del bulbo se conecta a los siguiente canales 4 salida del TLC.
- Los conductores de los dos woofers están conectados a los canales de salida de 8 última del TLC en serie.
- P1.7 de MSP430 es conectado al pin de pecado de la Junta de arreglo de discos de TLC.
- P1.4 de MSP430 es conectado al pin de SCLK de Junta de arreglo de discos de TLC.
- P1.5 de MSP430 está conectado a la clavija de enganche de la Junta de arreglo de discos de TLC.
- El suelo de la plataforma y el suelo de la Junta de arreglo de discos de TLC están cortocircuitadas.
- La placa de TLC funciona con 12 V de la fuente.
- Todos los cables positivos de las tiras LED están en cortocircuito juntos y conectados a la fuente de 12V.
- Todos los extremos libres de la resistencia de 220Ω conectado al Pin 1 del optoacoplador se pone en cortocircuito en el tablero y sacados como un solo perno. Este pin está conectado a la cabecera en el extremo de la salida del 7805 en la Junta de arreglo de discos de TLC.
- Del mismo modo, todos MT2s de los triacs se pone en cortocircuito en el tablero y el plomo resultante solo se conecta al cable vivo de la línea.
- Los otros cables de las bombillas individuales están conectados en orden a la MT1 de cada triac individual.
- El MSP430 Launchpad está conectado a la PC mediante el cable USB y es alimentado por el PC.