Paso 1: Paso 1: Cómo empezar

Leds SMD (utilicé 0805 el paquete los LED rojo)
Resistencias de 220 Ohmios SMD (utilicé paquete 0805)
Botones pulsadores
Cobre del tablero obviamente
Arduino
Cables de puente
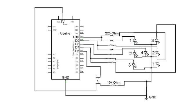
Abrir tu águila y crear un esquema del circuito que se muestra aquí.