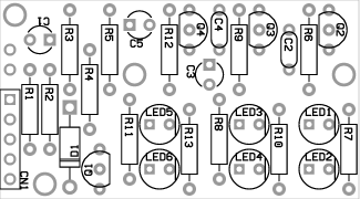
Paso 3: Construcción y circuito







He diseñado el PCB personalizado para esto, sin embargo no está preparado para un par de semanas. La dimensión de la Junta es de 1,8 x 1 pulgada. Por favor, hágamelo saber si usted está interesado en la compra de los PCB.
Para aquellos que quieren hacer su propio PCB, puede descargar los archivos Gerber. (Tenga en cuenta que este diseño de PCB no ha probado aún).
Conexión a los equipos de audio (también conocido como iPod) es a través de un cable de los auriculares estéreo desmontadas. Generalmente encontrará tres conductores en los cables - dos de ellos llevan la señal de audio, y el escudo/braid es la conexión a tierra. Soldado un encabezado de 3 pines para facilitar la conexión a la placa.
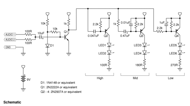
Un poco sobre el circuito
La idea básica detrás del Color órgano Triple Deluxe es lo mismo como muchos otros circuitos antes de él. Más circuitos de órgano color dividen señal de audio en tres bandas de frecuencia y unidad fuentes de luz acoording a los niveles de señal. Mi circuito combina la etapa de filtro con los controladores de luz, ahorro de muchas partes. No reclamo que hace la misma cosa como circuitos más sofisticados, sin embargo funciona bastante bien.













