Lanzacohetes de mano!! (8 / 13 paso)

Paso 8: Sistema de encendido

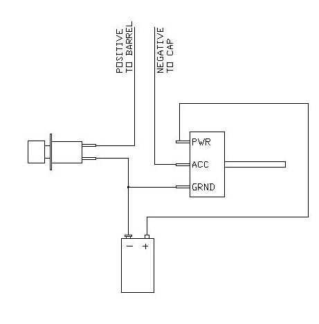
Abrir la manija y la instalación de la electrónica por el esquema adjunto. Asegúrese de que las roscas de los botones son lo suficientemente largos para penetrar la madera. Casi tuve que avellanar mi gatillo! Cuando lo tienes puesto juntos, separe el cable del altavoz casi todo el camino. Cortar el cable positivo a pocas pulgadas de largo y conecte un terminal de anillo lo suficientemente grande como para pasar el tornillo #12. El plomo negativo debe ser aproximadamente 16" largo cableado una vez, se recomienda que pruebe el sistema usando el óhmetro. Coloque 10V DC de prueba y conecte a los terminales de final. Es necesario verificar hay sólo un cargo cuando tanto el interruptor de seguridad y se empuja el gatillo. Este es un paso muy importante. NO quiero esta cosa disparar inesperadamente.   El interruptor de seguridad debe iluminarse cuando se está "armado". Para eliminar la posibilidad de un cortocircuito, llené los terminales de botón con pegamento caliente. A continuación, lije hasta la parte superior del clip de la batería y usando pegamento de madera, adjúntelo a la pieza "D". Utilicé cinta adhesiva para asegurarlo en su lugar mientras el pegamento seca.

Artículos Relacionados

Lanzacohetes recargable

Lanzacohetes recargable

De gran alcance. Portátil. Sin esfuerzo.El Lanzacohetes recargable es el primero de su tipo. A diferencia de los lanzadores de aire comprimido tradicional, este diseño es totalmente autónomo, pero igualmente poderoso. Lanzamiento cohetes de más de 30
Compatible con mano protésica con Control sensoriomotor y la retroalimentación sensorial para amputados de la extremidad superior

Compatible con mano protésica con Control sensoriomotor y la retroalimentación sensorial para amputados de la extremidad superior

El objetivo principal de este proyecto es proporcionar una mano protésica altamente funcional y de bajo costo para personas con amputaciones por debajo del codoAunque se han desarrollado muchos dispositivos prostéticos de vanguardia, todavía se convi
Fichas hechas a mano!

Fichas hechas a mano!

... hoy haremos nuestro mejor para hacer fichas con la mano.Prefacio:Nunca lo he hecho antes... nunca. de hecho, probablemente yo diría que estoy más seguro que ir puenting más sobre este proyecto.no tengo las herramientas adecuadas... siempre. averi
Preservación de pies y manos bebé de pasta de sal imprimir memoria dulce del colgante de pared:

Preservación de pies y manos bebé de pasta de sal imprimir memoria dulce del colgante de pared:

nuestras vidas llenados de felicidad y nuestros corazones llenan de alegría debido a nuestro pequeño niño que hemos estado soñando, con sus diminutos diez deditos y diez pequeños dedos del pie es tan dulce.Quiero hacer algo que será un recuerdo durad
Fácil reciclado manualidades: Cómo hacer caja de joyería hecha a mano palos de helado

Fácil reciclado manualidades: Cómo hacer caja de joyería hecha a mano palos de helado

Hola a mis amigos encantadoras en Instructables. Esta vez nos dejan actualizar algunos recuerdos de la infancia y una vez más hacer un esfuerzo de hacer una Artesanía fácil reciclado y lganar cómo hacer un helado de palillos a mano caja de joyería. H
Cómo hacer una almohada pequeña a mano

Cómo hacer una almohada pequeña a mano

Me gusta utilizar telas, adornos y nociones de mi escondite. Si eres como yo, tendrás un tesoro todo de golosinas para elegir! Así que para este proyecto, elegí algodón de una quilter bastante floral para mi tela de funda de almohada y un coordinació
Evolucionar - una plataforma para manos Bionic y HMIs (Intel IoT)

Evolucionar - una plataforma para manos Bionic y HMIs (Intel IoT)

A todos los fabricantes por ahí-Se trata de un trabajo en progreso. Actualizará con una descripción completa de "Cómo hacer" como procedemos. Si usted quiere construir con nosotros, por favor háganoslo saber en la sección de comentarios.Saludos,
E-no se puede mano Spidey sensores

E-no se puede mano Spidey sensores

UH-Oh que mi sentido de Spidey es hormigueo! Con el trabajo de investigación que he estado haciendo para e-NABLE, puede añadir detección de Spidey a una mano de dispositivo de asistencia (no es una mano protésica). Este proyecto documenta la fase de
Tacto: Bajo costo, avanzada mano protésica

Tacto: Bajo costo, avanzada mano protésica

En este instructable te voy a mostrar cómo hacer tacto, una mano prostética barata, abrir-fuente. Tacto superior a otros modelos de la mano protésica de código abierto de varias maneras: cuesta sólo $100 para todos los componentes ($250 para también
Mano robótica modular y brazo (con rango extendido de movimiento) (impresión 3D)

Mano robótica modular y brazo (con rango extendido de movimiento) (impresión 3D)

Hola a todos! Este es mi prótesis de mano y el brazo de prototipo he estado diseñando desde hace varios meses. Es todavía un poco de un trabajo en progreso, y ya que estoy terminando con clases en la Universidad para el semestre aún no he tenido tiem
Articulado esqueleto mano

Articulado esqueleto mano

En el 2014 creé el último proyecto de Grim Reaper: último disfraz de parca - Instructable. Una de las partes más difíciles de ese traje era crear las manos que parecen huesos sino que también pueden enfrentarse a un montón de uso. Tuve que conformarm
Mano prótesis DIY

Mano prótesis DIY

Para este Instructable, vamos construir una mano robótica con una variedad de aplicaciones cool! El diseño de esta mano se centra en la rentabilidad y materiales accesibles.Vídeos de demostración a continuación:Paso 1: premisaEste Instructable detall
ONDA-la mejor ayuda manos tornillo

ONDA-la mejor ayuda manos tornillo

La onda es probablemente el dispositivo de manos ayudando más raro que he visto nunca. ¿Por qué se llama "Onda"? Porque es un dispositivo de manos ayudando a que fue construido con piezas de microondas!Pero el hecho de que la onda se ve rara, no
Final 14-en-1 ayuda manos estación de soldadura!

Final 14-en-1 ayuda manos estación de soldadura!

Este es un proyecto que me tomó aproximadamente 2 meses para hacer, no porque sea muy complicado, pero si te fijas en la lista siguiente, probablemente a entender por qué... No sé por qué, pero por alguna razón, algo es adictivo para pensar en más fu