Paso 3: Paso 3: electrónica



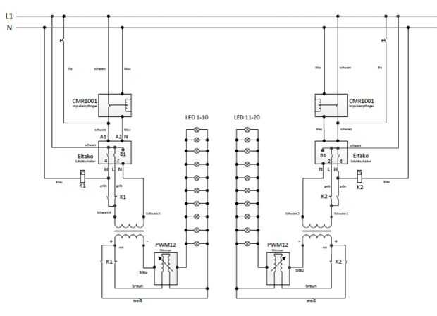
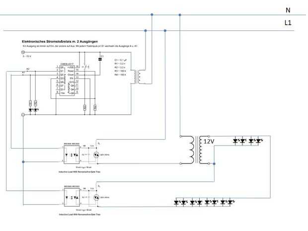
El primer esquema muestra la conmutación con componentes de electromontaje. pero vimos, que el 3W - led son parpadeo un producto algunos tonos de pitido alto. así que decidimos cambiar los 2 grupos de leds y todo el show con algunos chips discretos de control. Funciona bien.
En la puerta tenemos un botón programable. Si pulsa, se conecta el sistema de iluminación programada. Que es TV, pared, Downlights - debería ser otro instructivo...
Alemán:
Die Idee guerra dimmbare del eine Deckenlampe mit zwei Kreisen.
Der erste Schaltplan incluye den Aufbau mit Elektroinstallationskomponenten estándar. LED da aber bei Dimmung zum Pfeifen neigen, haben wir entschieden, einen Aufbau mit kleinen Schaltkreisen zu wagen. Der rechte Plan incluye das Prinzip. Das funciona gut.
Un Wohnzimmertür der haben wir einen catador, der beim Draufdrücken ein programmiertes Lichtset participa, Dazu diese TV-Licht und Wandbeleuchtung Downlights - aber das vielleicht kommt noch en einem anderen Instructable













