Lámpara USB con sensor oscuro (2 / 4 paso)

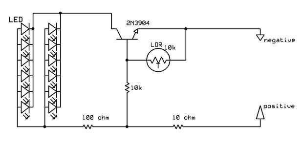
Paso 2: diagrama del circuito

complete el circuito según el diagrama del circuito, conectar los LEDs en paralelo (puede agregar más llevado si es necesario) también ver fr la polaridad del led antes de colocar en el tablero porque volver a soldar hace el circuito sucio

Artículos Relacionados

Lámpara USB con temporizador y regulador de luz

Lámpara USB con temporizador y regulador de luz

circuito monoestable 555Paso 1: Necesitarás: Necesitarás:IC Temporizador 555Resistencias (10 ohm, 200k, 1k)Condensadores (0.6mF, 10nF)Placa perforadaPulsadorDeslice el interruptorDiodoPotenciometros (500k, 10k)Cautín y soldaduraCable USB (cortar la c
Sensor oscuro con LDR (resistor dependiente de luz)

Sensor oscuro con LDR (resistor dependiente de luz)

Este circuito detecta la oscuridad y enciende el LEDPaso 1: Componentes necesarios:LDR - 110 k trimpot - resistencia de 1 o 10 kresistencia de 1 k - 2BC 547 transistores - 2LED - 1batería - 9vPaso 2: Diagrama del circuito esquemático del Sensor oscur
Lámpara USB cargador de mesa

Lámpara USB cargador de mesa

Si usted es cualquier cosa como nosotros constantemente buscas un lugar para enchufar el cargador del teléfono, que a menudo evoluciona tirando el sofá con la forma y la desconexión lámpara de mesa en el tablero lateral. ¿No sería más fácil si sólo p
Compacto 3 en 1 DIYduino de placa perforada con Sensor integrado y el protector de Motor L298N

Compacto 3 en 1 DIYduino de placa perforada con Sensor integrado y el protector de Motor L298N

presento un diseño compacto de una placa perforada placa Arduino (DIYduino) que incluye un controlador de motor 2A y además tiene la funcionalidad de un protector del sensor. La versión de 2 canales cuesta aproximadamente $29,43 y es más asequible co
Lámpara USB Decopunk

Lámpara USB Decopunk

me inspiré para hacer esta lámpara cuando me topé con un juego de luces de pista de halógeno uno de mis vecinos puso a la basura. Los accesorios en esta luz de la pista me recordó a la optimizada Art Deco diseños de los coches y bicicletas de la déca
Sensor oscuro (sensor de luz automático la luz de calle)

Sensor oscuro (sensor de luz automático la luz de calle)

aquí es mi nuevo proyecto de electrónica simple sobre Sistema automático de Control de luz de calle o Sensor oscuro.es un concepto simple y poderoso, que utiliza el transistor ( BC 547 NPN) como un interruptor para interruptor y apagar automáticament
Lámpara USB LED teclado lámpara, lámpara de lectura...

Lámpara USB LED teclado lámpara, lámpara de lectura...

Hace unos días encontré un circuito con unos LEDs de una vieja aspiradora y comencé pensamiento qué podía hacer con ellos y finalmente esta idea vino a mi mente: una lámpara USB. Es muy fácil de hacer y usted puede encontrar fácilmente los materiales
Termómetro digital en pantalla OLED con sensor de temperatura NodeMCU ESP8266 ESP-12E y DS18B20

Termómetro digital en pantalla OLED con sensor de temperatura NodeMCU ESP8266 ESP-12E y DS18B20

En mi anterior instructable le di una introducción a la ESP8266 y la programación con nuestro IDE de Arduino familiar.En este instructable voy a ir un paso más allá, conexión de un sensor digital de temperatura DS18B20 y mostrar la temperatura en gra
Hackear tu tira de LED con Sensor de movimiento y temporizador

Hackear tu tira de LED con Sensor de movimiento y temporizador

Me parece que la medida de un Instructable buena es las ideas que inspira, razón por la cual disfruté Instructable de Liam.great98 titulado "Dar tu Neon cama!" Nunca habría pensado de añadir una tira de LED en la parte inferior de una cama de ot
Aplicaciones de IoT industrial - cómo hacer su propia caja de monitoreo ambiental remoto con sensores

Aplicaciones de IoT industrial - cómo hacer su propia caja de monitoreo ambiental remoto con sensores

** Actualización: El siguiente artículo es de nuestra aplicación Android obsoleta! VALARM es Industrial IoT. Ayudaremos a sus equipos y su empresa con aplicaciones de IoT Industrial utilizando Herramientas de nube de Valarm.Nuestros paquetes de kit l
PIR con Sensor de luz

PIR con Sensor de luz

Detector de movimiento PIR simple con luz temporizador sensor y retraso.El circuito utiliza un módulo PIR (alrededor de £1,00 de ebay, un LDR (sobre 25p, otra vez de ebay y un Arduino mini pro.Reset, se mide la luz ambiental y, para fines de prueba s
Sensor oscuro (no Breadboard o soldadura)

Sensor oscuro (no Breadboard o soldadura)

en este Instructable hará un sensor oscuro sin necesidad de utilizar un protoboard, soldadura o una placa de circuito impreso.Paso 1: Lo que usted necesita Lo que necesita-1 clip de batería de 9v (he hecho mío)1 LED1 fotorresistencia1 interruptor1 tr
Buglar alarma con SENSOR de movimiento PIR

Buglar alarma con SENSOR de movimiento PIR

En este INSTRUCTABLEVamos a hacer una simple BUGLAR alarma con SENSOR de movimiento PIR y ARDUINONo se olvide esto votar para el concurso del Sensor! : D(Se puede ver un botón de voto cerca de la medalla en la parte superior)Para más proyectos de int
Sistema de iluminación bricolaje habitación inteligente con Sensor de movimiento PIR y Arduino

Sistema de iluminación bricolaje habitación inteligente con Sensor de movimiento PIR y Arduino

Hola amigos, tema de hoy es el sistema inteligente luz de la habitación y como sensor de movimiento PIR detecta el movimiento y el trabajo por consiguiente. Voy a contarles sobre el proyecto en el que usted aprenderá cómo puede auto encendido la luz