Paso 5: circuito




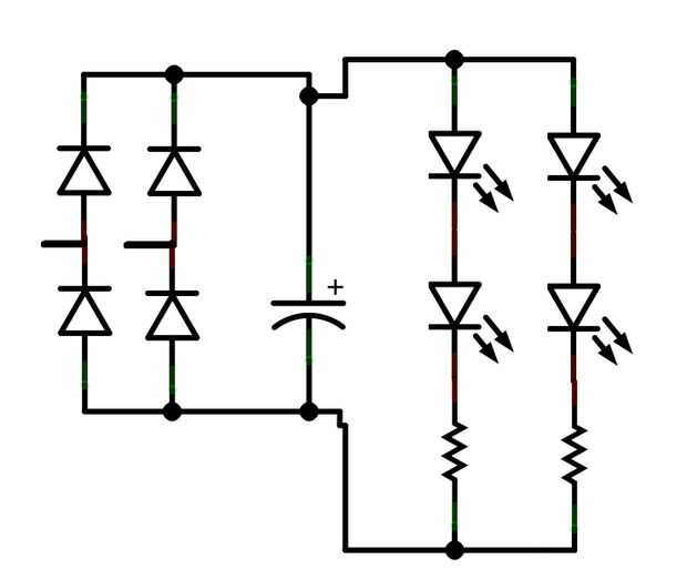
El voltaje de la fuente es v 12. Cada cubo tiene cuatro LEDs de 0.5 vatios dentro. Para los LEDs en cada cubo, hice un circuito que contiene los siguientes componentes: puente rectificador, un 6,8 Uf del condensador y dos resistencias de 1w de 39 ohmios. Esquemas se muestran en la imagen de arriba.
Soldar el circuito de los LEDs. Esto de la soldadura a una conexión positiva y negativa dentro del cubo.
He utilizado un puente rectificador asi puedes poner los cubos en uno al otro en cualquier forma que desee, el LED se encenderá siempre.
Use pegamento para madera para unir las plazas restantes en los cubos.