Lámpara de escritorio controlado (SMS Notifier) la voz (4 / 9 paso)

Paso 4: Led de tiempo

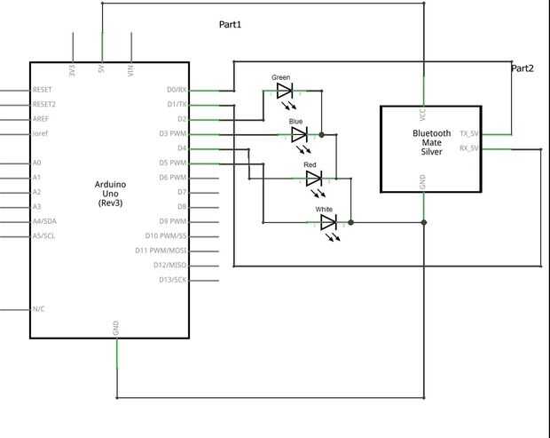
Led LEDs usted podría ir con un jardín botánico, pero no lo encontré lo suficientemente brillante tan soldado un grupo de LEDs rojos, verdes, azul y blancos para obtener los mismos efectos que un LED RBG. Los LED están montados en una configuración de cátodo común.

Artículos Relacionados

Lámpara de escritorio controlado de Arduino Internet

Lámpara de escritorio controlado de Arduino Internet

este es un pequeño proyecto que hice para mi lámpara de mesa de control por internet.Paso 1: Lo que necesitaráUn linux-servidor web con PHP, un arduino, un relé y algunos otros componentes.Paso 2: Añadir el código para el arduinoSubir el siguiente có
OiO - una lámpara de escritorio que tiene un alma

OiO - una lámpara de escritorio que tiene un alma

Su nombre es "oiO", él es un robot de la lámpara de escritorio, pero piensa que tiene un alma. Honestamente, no puedo negar...La idea de construir oiO, vino de mi respeto a simple objeto que se pone alrededor, que juega un grande, y generalmente
Biométricos control LED lámpara de escritorio

Biométricos control LED lámpara de escritorio

Este proyecto es otra aplicación de hacer sensor de huellas dactilares para actuar como un conmutador. Esta vez estoy controlando mi lámpara de escritorio. ninguna otra persona puede utilizar la lámpara de mi escritorio ya lo siento. Pensé en esto pa
Lámpara de escritorio de generador de imagen en movimiento

Lámpara de escritorio de generador de imagen en movimiento

IntroducciónEstaba pensando en una manera fresca a la luz de mi habitación y porque los 70 han ido durante mucho tiempo la siguiente lámpara más impresionante después de lámpara de lava es la lámpara de escritorio del generador de imágenes en movimie
Oculto fácil instalación cable de la lámpara de escritorio fluorescente

Oculto fácil instalación cable de la lámpara de escritorio fluorescente

La tarea deHe comprado una lámpara de escritorio fluorescente barato instalar encima de un escritorio. Quería para que no muestre los cables y parece tan limpio como sea posible. Este instructable muestra cómo iba hacer esto fácilmente. Puede encontr
Lámpara de escritorio simple.

Lámpara de escritorio simple.

He creado esta lámpara de escritorio porque me inspiré por otra VI en Instructables pero quería algo un poco más simple en estilo y creación.Creadas con Autodesk Inventor, 123D Make http://123D hacer y TechShop http://techshop.wsPaso 1: CAD se. 1) en
Lámpara de escritorio LED de DIY metacrilato

Lámpara de escritorio LED de DIY metacrilato

Fácil USB powered led lámpara de escritorio.REPRODUCIR VIDEOMI canal de YOUTUBE SuscríbeteHACER DARDOS FUERA DE LOS PARTIDOSPaso 1: materiales you will need1. cristal de plexiglás de2. la plantilla3 LEDs 5 voltios4. madera para base5. cable USB6. peg
Chatarra de piezas Lámpara de escritorio

Chatarra de piezas Lámpara de escritorio

Hola queridos followersEsta lámpara de escritorio fue hecha de madera, algunos cables y un viejo foco led. Así es muy fácil.Proporcionarnos herramientas:-220 AC a 12 DC converter-Led Spotlight-Cable-220VSwitch-Tornillos, pernos, arandelas y tuercas d
Lámpara de escritorio de cartón

Lámpara de escritorio de cartón

cartón podría parecer como un material extraño para una lámpara de escritorio, pero con una bombilla de LED de bajo calor esta lámpara 15" puede brillar toda la noche en estilo glorioso creador. Es luz, es resistente y de plano-embale. ¿Lo que no es
Lámpara de Internet controlado con ESP8266 wifi relé IoT

Lámpara de Internet controlado con ESP8266 wifi relé IoT

Control de IoT ESP8266 wifi relé (ESP01) una lámparaInternet controlado eléctrico lámpara con ESP8266 wifi (ESP01) IoTInternet controlado lámpara con ESP8266 wifi relé IoTESP8266 (ESP01) es un transceptor WiFi muy bajo costo que puede añadirse a cual
DIY LED lámpara de escritorio con tira de luces

DIY LED lámpara de escritorio con tira de luces

Esta lámpara de escritorio fresco se hace con LED franja de luces y arce. Cuenta con un diseño muy simple donde la madera está realmente en foco y tiene un control remoto que se conecta a la parte posterior de la lámpara. Esta lámpara sería genial en
Lámpara de escritorio LED Woodpunk

Lámpara de escritorio LED Woodpunk

el Woodpunk LED lámpara de escritorio es el resultado de que está inspirada, quizás más de un año atrás, por un diseño que vi en un blog de diseño.  Es un poco de un animal doméstico peeve que todas estas ideas fantásticas alarde pero nunca producida
Lámpara de escritorio de concreto

Lámpara de escritorio de concreto

Cada pocos años intento hacer un regalo único y mejor que la típica caza/pesca/camping gadget, película, o dulces, etc. de mi padre para su cumpleaños y día del padre. Esto es porque mi papá es imposible comprar para él no quiere nada y si piensa en
Lámpara de escritorio articulado Low-Tech

Lámpara de escritorio articulado Low-Tech

si tienes tres trozos small-ish de madera, algunas bandas de goma, papel y un foco de luz, entonces usted puede hacer su propia lámpara de escritorio articulada!Lámparas de escritorio articulada son algo complejos objetos mecánicos que requieren de u